|
GERENCIA ADJUNTA DE REGULACIÓN
TARIFARIA * AV. CANADA N° 1460 - SAN BORJA ( 224 0487 224 0488 - FAX
224 0491 |
Informe OSINERG-GART/DGT N° 066-2004 |
Estudio para
la Fijación de Tarifas en Barra
Período noviembre 2004 -
abril 2005
Lima, 13 de setiembre de 2004
Los Precios en Barra, en los sistemas que se alimentan desde el Sistema Eléctrico Interconectado Nacional (en adelante “SEIN”), varían, con respecto a los precios vigentes[1], en +18,7% para la energía y en +5,1% para la potencia. Las variaciones en los precios de generación son inferiores a las de la propuesta del COES-SINAC que eran de +39,2% para la energía y de +19,4% para la potencia.
1) El siguiente cuadro muestra la variación de los Precios en Barra Promedio, con relación a los valores vigentes, en algunas ciudades:

2) El impacto de la tarifa sobre el consumidor final de tipo residencial en el SEIN varía de +4,3% a +5,3%, dependiendo del nivel de consumo, y considerando el efecto de los factores de pérdidas y economías de escala de distribución, vigentes a partir del 01 de noviembre de 2004.
3) Para la determinación de las tarifas en el SEIN se emplea la propuesta del COES-SINAC (en adelante el “ESTUDIO”), la absolución de observaciones (en adelante la “ABSOLUCIÓN”) y, los estudios preparados por el OSINERG o encargados a consultores especializados.
4) Las principales premisas consideradas para la fijación de las tarifas en el SEIN son:
a) La proyección de la demanda se ha efectuado mediante un procedimiento de estimación sobre la base del consumo de días típicos, para el año 2004, de manera de reflejar el consumo real. Asimismo, para el horizonte 2005-2008 se ha utilizado el modelo econométrico propuesto por el COES-SINAC. Por otro lado, se ha corregido la proyección de demanda de la carga incorporada BHP Tintaya y de la demanda asociada al proyecto de transmisión 138kV Huallanca - Tayabamba (ver Anexo A). Con relación al valor de las ventas correspondientes al año 2003; las pérdidas de distribución, subtransmisión y transmisión para el periodo de proyección; la participación de ventas de distribuidores en alta y muy alta tensión, y la participación de ventas realizadas por los generadores, éstos se mantienen iguales a los utilizados en la fijación de tarifas de mayo de 2004. No obstante, se prevé que los mismos sean reajustados una vez que se cuente con la información completa del Anuario Estadístico 2003 del OSINERG.
b) Se considera la demanda de interconexión con el Ecuador en aplicación de la Disposición Transitoria Única[2] del Decreto Supremo N° 010-2004-EM. La proyección de dicha demanda internacional, se ha efectuado mediante la aplicación del procedimiento descrito en el Anexo B, el cual contiene la propuesta del OSINERG de las premisas y parámetros de cálculo de las simulaciones a que se refiere la mencionada disposición.
c) Se considera en el plan de obras el compromiso entre el Gobierno Peruano y la empresa ETEVENSA para el aprovechamiento del gas natural de Camisea a través de la central termoeléctrica de Ventanilla (324 MW ciclo simple) en setiembre de 2004 y la conversión de una de sus unidades a ciclo combinado (225 MW) en junio de 2006. Dicho plan ha sido determinado tomando en cuenta los criterios, para la incorporación de nuevas plantas, que impone el Decreto Supremo N° 010-2004-EM. Es decir, que solamente se consideran factibles de entrar en operación a aquellos proyectos de generación cuyos títulos no se encuentren en causal de caducidad o cancelación.
d) Como Costo Variable No Combustible de las unidades de la central termoeléctrica de Ventanilla se utilizan los valores de 4,059 US$/MWh para el caso en que operen con gas natural en ciclo simple y de 2,785 US$/MWh para el caso en que operen con gas natural en ciclo combinado.
De igual modo, respecto del Costo Variable No Combustible de la central termoeléctrica de Ilo1 se utilizan los valores de 1,934 US$/MWh para la unidad IloTV2, de 1,325 US$/MWh para la unidad IloTV3 y de 1,231 US$/MWh para la unidad IloTV3.
Dichos valores resultan del análisis de la información presentada por el COES-SINAC tanto en su ESTUDIO como en la ABSOLUCIÓN de las observaciones del OSINERG (ver Anexo C).
e) Se considera que la C.H. Yuncán iniciaría sus operaciones en julio del año 2005, de acuerdo con las razones expuestas por el COES-SINAC en el ESTUDIO.
f) Se modifica el programa de mantenimiento mayor hidroeléctrico propuesto por el COES-SINAC; asimismo, se retira del programa de mantenimiento de las centrales hidroeléctricas y termoeléctricas los mantenimientos menores por las razones expuestas en el Anexo E del presente informe.
g) Se obtiene el precio del gas natural proveniente de Camisea a partir de la suma del precio en boca de pozo y los cargos por transporte y distribución, estos últimos fijados mediante las Resoluciones OSINERG N° 082-2003-OS/CD y OSINERG N° 084-2003-OS/CD. Asimismo, los precios de gas natural para las centrales eléctricas de Malacas y Aguaytía se determinan considerando lo establecido en el Decreto Supremo N° 055-2002-EM.
h) Se verifica que el precio del carbón para generación eléctrica no supera el precio máximo de referencia. En consecuencia, se ha considerado el precio de 62,08 US$/Ton propuesto por el COES-SINAC (ver numeral 3.2.3.3 del presente informe).
i) Se considera 643,13 MW como potencia para la central Santiago Antúnez de Mayolo, con base en el análisis efectuado en el Anexo F.
j)
Se
corrige la tasa considerada para financiar el stock de combustibles al valor de
3,39% (ver Anexo G).
k) Se considera la restricción sobre la operación del Lago Junín que impone la Resolución Ministerial N° 0149-98-AG.
l) Se considera la incorporación del año hidrológico 2003 en la serie de caudales afluentes. Debido al volumen de información suministrado en la ABSOLUCIÓN, preliminarmente se han tomado los valores propuestos por el COES-SINAC; los valores definitivos, resultado de la revisión y análisis de los valores propuestos, serán utilizados en la publicación de las Tarifas en Barra.
m) Se obtiene el Precio Básico de la Potencia a partir del análisis de la información presentada por el COES-SINAC en el ESTUDIO y la ABSOLUCIÓN (numeral 3.2.6 y Anexo H del presente informe).
n) En los cálculos de las Tarifas en Barra del presente informe, los valores para los costos de combustibles, corresponden al 31 de agosto de 2004. Estos valores serán corregidos para la publicación de las Tarifas en Barra según lo establecido en el Artículo 50° de la Ley de Concesiones Eléctricas.
5) Los precios teóricos obtenidos se encuentran en el rango de ±10% de su equivalente del mercado no regulado, por lo cual dichos precios constituyen las Tarifas en Barra.
6) Las Tarifas en Barra en el caso de los sistemas aislados se han determinado mediante el uso de las correspondientes fórmulas de actualización (Capítulo 6 del presente informe).
INDICE
1.1. Proceso de Regulación Tarifaria
1.4. Principales Modificaciones a la Propuesta del
COES-SINAC
1.5. Comparación de las Variaciones de los Precios en Barra
en el SEIN
2. Proceso de Regulación Tarifaria
2.2. Primera Audiencia Pública
2.3. Observaciones a la Propuesta del COES-SINAC
2.4. Absolución de las Observaciones
2.5. Prepublicación de Tarifas en Barra
3. Precios Básicos de Potencia y Energía
3.1. Procedimientos de Cálculo
3.1.1. Precio Básico de la Energía
3.1.2. Precio Básico de la Potencia
3.2.3. Costos Variables de Operación (CVT)
3.2.3.1. Precios
de los Combustibles líquidos
3.2.3.2. Precio
del Gas Natural
3.2.3.4. Otros
costos en el precio de los combustibles líquidos
3.2.5. Precio Básico de la Energía
3.2.6. Precio Básico de la Potencia
3.3. Factores de Pérdidas Marginales
4. Tarifas en Barra en Subestaciones Base
4.2. Comparación de los Precios Teóricos con el Precio
Promedio Ponderado de los Clientes Libres
5.1. Actualización del Precio de la Energía
5.2. Actualización del Precio de la Potencia
Anexo B Interconexión con el Ecuador
Anexo D Plan de Obras de Generación
Anexo E Programa de Mantenimiento de las Centrales del SEIN
Anexo F Volumen Final del Lago Junín y Operación del Complejo
Mantaro
Anexo G Tasas de Gastos Financieros para Stock de Combustibles
Anexo H Precio Básico de Potencia
Anexo I Diagrama Unifilar SEIN
El siguiente informe contiene el estudio realizado por el Organismo Supervisor de la Inversión en Energía (en adelante “OSINERG”), para la fijación de Tarifas en Barra del período noviembre 2004 – abril 2005. Para su elaboración se ha considerado el estudio técnico económico presentado por el Comité de Operación Económica del Sistema Interconectado Nacional (en adelante “COES-SINAC”) de acuerdo con el Artículo 119° del Reglamento de la Ley de Concesiones Eléctricas, los estudios desarrollados y/o encargados por la Gerencia Adjunta de Regulación Tarifaria del OSINERG (en adelante “GART”) sobre el particular.
Los principios y los procedimientos mediante los cuales se regulan las tarifas de electricidad en el Perú se encuentran establecidos en el Decreto Ley N° 25844, Ley de Concesiones Eléctricas (en adelante ”Ley” ó “LCE”), el Reglamento de la Ley de Concesiones Eléctricas (en adelante “Reglamento” o “RLCE”) aprobado mediante Decreto Supremo N° 009-93-EM, en el Decreto Supremo N° 010-2004-EM promulgado por el Ministerio de Energía y Minas y, en la norma “Procedimientos para Fijación de Precios Regulados” aprobado mediante Resolución OSINERG N° 0001-2003-OS/CD y sus modificatorias.
El estudio determina los precios básicos, definidos en el Artículo 47º de la Ley y Artículos 125º y 126º del Reglamento. Estos están constituidos por los precios de potencia y energía en las barras de referencia, a partir de las cuales se expanden los precios mediante factores de pérdidas.
El proceso de regulación tarifaria se inició el 14 de julio de 2004 con la presentación del “Estudio Técnico Económico de Determinación de Precios de Potencia y Energía en Barras para la Fijación Tarifaria de Noviembre de 2004”, preparado por el COES-SINAC y remitido al OSINERG para su evaluación. Como parte del proceso regulatorio se convocó la realización de una audiencia pública, la cual se llevó a cabo el 23 de julio de 2004. En esta audiencia el COES-SINAC tuvo la oportunidad de sustentar su propuesta de fijación de tarifas, recibió los comentarios y observaciones de los asistentes y dio una primera respuesta a las observaciones recibidas.
Posteriormente, el 09 de agosto de 2004, el OSINERG remitió al COES-SINAC un informe con las observaciones encontradas al Estudio Técnico Económico señalado anteriormente.
Las observaciones señaladas fueron revisadas y respondidas por el COES-SINAC con fecha 31 de agosto de 2004.
En la preparación del presente informe se toma en cuenta toda la información recolectada a lo largo del proceso descrito, incluidos los resultados de los estudios encargados por el OSINERG a consultores especializados sobre temas específicos de la regulación.
El precio básico de la energía se determina utilizando el modelo matemático de optimización y simulación de la operación de sistemas eléctricos denominado PERSEO.
El precio básico de la potencia, de acuerdo con el mandato del Artículo 47°, literales e) y f) de la Ley, corresponde a los costos unitarios de inversión y costos fijos de operación de la unidad de generación más adecuada para suministrar potencia adicional durante las horas de máxima demanda anual, incluida su conexión al sistema de transmisión.
Los precios en barra se calculan agregando a los costos marginales de energía los cargos por la transmisión involucrada. Los cargos por el Sistema Principal de Transmisión corresponden a aquellos establecidos por la Resolución OSINERG N° 069-2004-OS/CD y sus modificatorias. Los cargos de peaje secundario corresponden a los consignados en la Resolución OSINERG N° 072-2004-OS/CD y sus modificatorias. Finalmente, el cargo por Garantía por la Red Principal de Camisea, que se agrega a los cargos por el Sistema Principal de Transmisión, corresponde a aquél fijado mediante Resolución OSINERG N° 187-2004-OS/CD y sus modificatorias.
Los precios (teóricos) determinados a través de los modelos de optimización y simulación fueron comparados con los precios libres de conformidad con lo dispuesto por el Artículo 53º de la Ley y Artículo 129º del Reglamento. La información de clientes libres fue suministrada por las empresas generadoras y distribuidoras. Para este fin, se ha tenido en cuenta, además, lo dispuesto por el Reglamento para la Comercialización de Electricidad en un Régimen de Libertad de Precios, aprobado mediante Decreto Supremo N° 017-2000-EM del 18 de setiembre del año 2000.
Como resultado de la comparación de precios libre / teórico, se observa que el precio promedio ponderado teórico no difiere en más del 10% de su equivalente del mercado no regulado. Por tal motivo, no es necesario efectuar el reajuste en los precios teóricos para constituir las Tarifas en Barra definitivas. En consecuencia, los precios resultantes para la regulación de Tarifas en Barra del Sistema Eléctrico Interconectado Nacional (SEIN) se resumen en el cuadro siguiente[3]:
Cuadro No. 1.1

Los precios en barra mostrados en las secciones anteriores, se obtienen a partir de la propuesta del COES-SINAC con las modificaciones efectuadas por el OSINERG. La siguiente relación describe los principales cambios incorporados:
· a) La proyección de la demanda se ha efectuado mediante un procedimiento de estimación sobre la base del consumo de días típicos, para el año 2004, de manera de reflejar el consumo real. Asimismo, para el horizonte 2005-2008 se ha utilizado el modelo econométrico propuesto por el COES-SINAC. Por otro lado, se ha corregido, sobre la base de información con que cuenta el OSINERG, la proyección de demanda de BHP-Tintaya y se desestima considerar por separado la demanda de Marsa y Horizonte en atención a lo dispuesto por el Artículo 123° del Reglamento de la Ley de Concesiones Eléctricas (ver Anexo A). Cabe mencionar que respecto de las pérdidas de distribución, subtransmisión y transmisión para el periodo de proyección; la participación de ventas de distribuidores en alta y muy alta tensión; y, la participación de ventas realizadas por los generadores, estos valores se revisaran una vez que se cuente con el Anuario Estadístico del año 2003.
·
Se considera la demanda de
interconexión con el Ecuador en aplicación de la Disposición Transitoria Única
del Decreto Supremo N° 010-2004-EM. La proyección de dicha demanda
internacional, se ha efectuado mediante la aplicación del procedimiento
descrito en el Anexo B.
· Para el caso del Costo Variable No Combustible de las unidades de la central termoeléctrica de Ventanilla se utilizan los valores de 4,059 US$/MWh para el caso en que operen con gas natural en ciclo simple y de 2,785 US$/MWh para el caso en que operen con gas natural en ciclo combinado. De igual modo, respecto del Costo Variable No Combustible de la central termoeléctrica de Ilo1 se utilizan los valores de 1,934 US$/MWh para la unidad IloTV2, de 1,325 US$/MWh para la unidad IloTV3 y de 1,231 US$/MWh para la unidad IloTV3. Dichos valores resultan del análisis de la información presentada por el COES-SINAC tanto en su ESTUDIO como en la ABSOLUCIÓN de las observaciones del OSINERG (ver Anexo C).
· Se modifica el programa de mantenimiento mayor hidroeléctrico propuesto por el COES-SINAC; asimismo, se retira del programa de mantenimiento de las centrales hidroeléctricas y termoeléctricas los mantenimientos menores (ver Anexo E).
· Se considera 643,13 MW como potencia para la central Santiago Antúnez de Mayolo, con base en el análisis efectuado en el Anexo F.
· Se corrige la tasa considerada para financiar el stock de combustibles al valor de 3,39% (ver Anexo G).
· Se obtiene el Precio Básico de la Potencia a partir de los costos unitarios de inversión y costos fijos de operación de la unidad de generación más adecuada para suministrar potencia adicional durante las horas de máxima demanda anual, incluida su conexión al sistema de transmisión. El análisis se realiza considerando la información presentada por el COES-SINAC en el ESTUDIO y la ABSOLUCIÓN (ver numeral 3.2.6 y Anexo H).
· En los cálculos de las Tarifas en Barra se toma en consideración los costos al 31 de agosto de 2004. No obstante, a fin de cumplir con lo establecido en el Artículo 50° de la LCE en la publicación de la Tarifas en Barra, éstas deberán ser reajustadas con los valores vigentes al 30 de setiembre de 2004.
Los precios en barra resultantes se comparan con los precios vigentes al último día del mes de agosto de 2004, obteniéndose los resultados que se muestran a continuación para las principales ciudades del país[4].
Cuadro No. 1.2

En los sistemas aislados, abastecidos por centrales no pertenecientes al Sistema Eléctrico Interconectado Nacional, se ha efectuado la actualización de las tarifas empleando las fórmulas de indexación de precios establecidas en los estudios realizados anteriormente.
Los precios resultantes se comparan con los precios vigentes al último día del mes de agosto de 2004, obteniéndose los resultados que se muestran a continuación.
Cuadro No. 1.3

El proceso de Fijación de Tarifas en Barra se realiza de conformidad con lo establecido en el Decreto Ley N° 25844, Ley de Concesiones Eléctricas, su Reglamento aprobado mediante Decreto Supremo N° 009-93-EM y el Decreto Supremo N° 010-2004-EM[5]. El OSINERG, en aplicación de la Ley N° 27838, Ley de Transparencia y Simplificación de los Procedimientos Regulatorios de Tarifas, ha incluido, dentro del proceso de regulación de las tarifas de generación, transmisión y distribución, la prepublicación del proyecto de resolución que fije la tarifa así como la realización de audiencias públicas. En el siguiente esquema se resume la secuencia de actividades del proceso para la Fijación de las Tarifas en Barra. Las fechas indicadas corresponden a la presente fijación de tarifas, donde a partir de la etapa “k” representan fechas límites que pueden variar en caso de adelantarse la fecha de término de alguna de las etapas.
Esquema No. 2.1

El esquema ilustrado, que obedece a las disposiciones legales vigentes, establece un ambiente abierto de participación donde pueden expresarse las opiniones de la ciudadanía, y de los interesados en general, a fin de que éstas sean consideradas por el regulador antes que adopte su decisión sobre la fijación de las Tarifas en Barra.
Asimismo, con posterioridad a la decisión, se prevé la instancia de los recursos de reconsideración donde se pueden interponer cuestionamientos a las decisiones adoptadas.
Los titulares de las centrales de generación y de sistemas de transmisión, cuyas instalaciones se encuentren interconectadas conforman un organismo técnico denominado Comité de Operación Económica del Sistema Interconectado Nacional (en adelante “COES-SINAC”)[6] con la finalidad de coordinar su operación al mínimo costo, garantizando la seguridad del abastecimiento de energía eléctrica y el mejor aprovechamiento de los recursos energéticos.
De acuerdo con lo dispuesto por el Artículo 119° del Reglamento de la Ley de Concesiones Eléctricas[7], y por el Procedimiento para la Fijación de Tarifas en Barra aprobado mediante la Resolución OSINERG N° 0001-2003-OS/CD, el proceso de regulación tarifaria se inició con la presentación, efectuada por el COES-SINAC el 14 de julio de 2004, del “Estudio Técnico Económico de Determinación de Precios de Potencia y Energía en Barras para la Fijación Tarifaria de Noviembre de 2004”. En el siguiente cuadro se resume, en términos económicos, la propuesta tarifaria del COES-SINAC:
Cuadro No. 2.1

De acuerdo con lo establecido en el Procedimiento para Fijación de Tarifas en Barra, el Consejo Directivo del OSINERG convocó a una primera Audiencia Pública para el 23 de julio de 2004, con el objeto que el COES-SINAC exponga su propuesta de tarifas de generación para la regulación tarifaria del periodo noviembre 2004 − abril 2005.
En concordancia con lo anterior, se dispuso previamente la publicación, en la página WEB del OSINERG, del Estudio Técnico-Económico presentado por el COES-SINAC con el propósito que los agentes del mercado e interesados tuvieran acceso al estudio mencionado y contaran con la información necesaria que les permitiera expresar sus observaciones y/o comentarios relacionados con el estudio tarifario, durante la realización de la Audiencia Pública.
De esta forma, se busca lograr la participación de los diversos agentes (empresas concesionarias, asociaciones de usuarios, usuarios individuales, etc.) en el proceso de toma de decisiones, dentro de un entorno de mayor transparencia, conforme a los principios y normas contenidas en la Ley Marco de los Organismos Reguladores del Estado y la Ley del Procedimiento Administrativo General.
Con fecha 09 de agosto de 2004 el OSINERG, a través del Informe Técnico OSINERG-GART/DGT N° 064-2004, comunicó por escrito sus observaciones, debidamente fundamentadas, al Estudio Técnico Económico presentado por el COES-SINAC. En este mismo documento se incluyeron las observaciones y/o comentarios emitidos por los interesados durante la primera audiencia pública.
Inmediatamente después de remitido el informe de observaciones al COES-SINAC, se procedió a la publicación del mismo en la página WEB del OSINERG.
El 31 de agosto de 2004, el COES-SINAC remitió su respuesta a las observaciones efectuadas por el OSINERG al Estudio Técnico-Económico propuesto y presentó un informe con los resultados modificados de su estudio.
En el siguiente cuadro se resume la propuesta del COES-SINAC después de la absolución de las observaciones.
Cuadro No. 2.2

De acuerdo con lo dispuesto en el Artículo 122° del Reglamento[8], en el caso de las observaciones al Estudio Técnico-Económico del COES-SINAC que no fueron absueltas a satisfacción del OSINERG, corresponde al OSINERG, de acuerdo con el análisis que se indica más adelante, establecer los correspondientes dentro de los márgenes que se señalan en la Ley.
El OSINERG ha evaluado las premisas y cálculos efectuados por el COES-SINAC tanto en su estudio inicial como en el informe remitido en respuesta a las observaciones formuladas a su Estudio Técnico Económico para la fijación de las Tarifas en Barra. A raíz del análisis que se indica se ha elaborado el presente informe que contiene el resultado de los estudios realizados.
El siguiente cuadro resume los precios determinados por el OSINERG después del análisis efectuado:
Cuadro No. 2.3

De acuerdo con lo señalado en el literal “g” del Anexo A de la norma “Procedimientos para Fijación de Precios Regulados”, con un mínimo de 15 días hábiles de anticipación a la publicación de la resolución que fije las Tarifas en Barra, el OSINERG prepublicará en el Diario Oficial el Peruano y en su página WEB el Proyecto de Resolución que fija las Tarifas en Barra y la relación de información que la sustenta.
El Sistema Eléctrico Interconectado Nacional (SEIN) se extiende desde Tacna por el sur hasta Tumbes por el norte, y enlaza la mayor parte de ciudades del país.
Para el presente período de regulación se destaca:
· La operación de la central hidroeléctrica de Yuncán (130 MW).
· La ampliación de capacidad de la central hidroeléctrica de Callahuanca (7,5 MW)
· El aumento de la potencia efectiva de la central Mantaro.
· La operación de las primeras unidades que utilizarán el gas natural de Camisea.
· La inclusión de la demanda del Ecuador, según lo dispuesto por el Decreto Supremo N° 010-2004-EM del Ministerio de Energía y Minas.
· La incorporación del año hidrológico 2003 en las series de caudales afluentes.
En las secciones que siguen se explican los procedimientos y resultados obtenidos, en la etapa de prepublicación, en el proceso de determinación de las Tarifas en Barra para el período noviembre 2004 - abril 2005.
Esta sección describe los procedimientos generales y modelos empleados para el cálculo de los precios básicos en el SEIN.
El precio básico de la energía, cuyos criterios y procedimientos de determinación se encuentran establecidos en el Artículo 125º del Reglamento[9], se calcula a partir de los costos marginales esperados en el sistema de generación para los 48 meses del período de análisis de acuerdo con lo dispuesto en los Artículos 47° al 50° de la Ley[10] y en el Decreto Supremo N° 010-2004-EM.
Para la determinación de los costos marginales de la energía en el SEIN, se utiliza el modelo PERSEO. Este modelo de despacho de energía multinodal, permite calcular los costos marginales optimizando la operación del sistema hidrotérmico con múltiples embalses en etapas mensuales; utiliza programación lineal para determinar la estrategia óptima de operación ante diferentes escenarios de hidrología. Los costos marginales se determinan como el promedio de las variables duales asociadas a la restricción de cobertura de la demanda (2004-2008) para cada uno de los escenarios hidrológicos.
Para representar el comportamiento de la hidrología, el modelo PERSEO utiliza los caudales históricos naturalizados registrados en los diferentes puntos de interés. Para el presente estudio se utilizan los datos de caudales naturales de los últimos 39 años, con información histórica, hasta el año 2003.
La representación de la demanda del sistema se realiza para cada barra, en diagramas de carga mensual de tres bloques, para cada uno de los 48 meses del período de estudio. En consecuencia, los costos marginales esperados se calculan para cada uno de los bloques de la demanda (punta, media y base). A partir de dichos costos marginales, para fines tarifarios, el costo de la energía se resume en sólo dos períodos: punta y fuera de punta (para el período fuera de punta se consideran los bloques de media y base).
En el caso del mantenimiento de las centrales hidroeléctricas y termoeléctricas procede retirar del programa propuesto por el COES-SINAC los mantenimientos menores. Asimismo, se corrige el programa de mantenimiento mayor de las centrales hidroeléctricas y termoeléctricas. Mayor detalle sobre este punto se presenta en el Anexo E del presente informe.
Se considera las restricciones impuestas por la Resolución Ministerial N° 0149-98-AG, en el control de los desembalses del lago Junín.
El modelo PERSEO está constituido por un programa (escrito en FORTRAN y C) que permite construir las restricciones que definen un problema de programación lineal. Las restricciones una vez construidas son sometidas a un motor de programación lineal (herramienta CPLEX) que resuelve el problema de optimización. Las salidas del optimizador lineal son luego recogidas por programas de hojas de cálculo que permiten efectuar el análisis y gráfico de los resultados.
Información más detallada sobre el modelo PERSEO, sus características, manual de usuario, casos de prueba y datos de las fijaciones tarifarias, se encuentra disponible en el portal del modelo consignado en la página web del OSINERG: www.osinerg.gob.pe.
El Precio Básico de la Potencia, cuyos criterios y procedimientos de cálculo se encuentran definidos en el Artículo 126º del Reglamento[11], se determina a partir de una unidad turbogas como la alternativa más económica para abastecer el incremento de la demanda durante las horas de máxima demanda anual. El Precio Básico de Potencia corresponde a la anualidad de la inversión en la unidad de punta (incluidos los costos de conexión) más sus costos fijos de operación y mantenimiento anual. Se considera, asimismo, los factores por la Tasa de Indisponibilidad Fortuita de la unidad y el Margen de Reserva Firme Objetivo del Sistema, aprobados mediante la Resolución N° 019-2000 P/CTE publicada el 25 de octubre de 2000. Dichos factores deberán ser modificados una vez que se fijen la Tasa de Indisponibilidad Fortuita de la unidad y el Margen de Reserva Firme Objetivo del Sistema para el periodo 2004-2008.
En la presente regulación, se procede a actualizar todos los costos de la unidad de punta, considerando la información entregada por el COES-SINAC en el ESTUDIO y en la absolución, así como los resultados de estudios de consultores especializados.
A continuación, se presenta la demanda, el programa de obras, los costos variables de operación y el costo de racionamiento que se utilizan para el cálculo de los costos marginales y los precios básicos de potencia y energía. Finalmente, se presenta la integración de precios básicos y peajes de transmisión para constituir las Tarifas en Barra.
El modelo que se emplea para efectuar el pronóstico de ventas de la demanda es el propuesto por el COES-SINAC y, en esencia, es un modelo ajustado del que se utilizó en la fijación de tarifas de mayo de 2004. Asimismo, se tiene en cuenta las siguientes diferencias respecto de los valores propuestos por el COES-SINAC (ver Anexo B para mayor detalle):
· La proyección de la demanda para el año 2004 se ha efectuado mediante un procedimiento de estimación basado en el consumo de días típicos, de manera de reflejar el consumo real.
· Modificación de la proyección de demanda de BHP-Tintaya para el periodo 2004-2008.
· No se considera la proyección por separado de la demanda de Marsa y Horizonte en atención a lo dispuesto en el Artículo 123° del Reglamento[12], que fuera modificado por el Decreto Supremo N° 010-2004-EM.
· En atención a la Única Disposición Transitoria del Decreto Supremo N° 010-2004-EM, se considera la demanda de interconexión con el Ecuador de acuerdo con el procedimiento descrito en el Anexo B.
Con relación a los valores de las ventas y la tarifa correspondientes al año 2003, utilizadas en el modelo econométrico, para la prepublicación se ha mantenido el valor propuesto por el COES-SINAC; sin embargo, este será actualizado una vez que se cuente con la información proveniente del Anuario Estadístico 2003 del OSINERG.
Al consumo de energía se le agrega un porcentaje de pérdidas con la finalidad de compensar las pérdidas por transporte no consideradas en el modelado de la red de transmisión.
La demanda considerada para el SEIN se resume en el Cuadro No. 3.1. Esta demanda se encuentra en el nivel de producción. Para su utilización en el modelo PERSEO es necesario desagregarla en las barras en las cuales se representa en SEIN.
Cuadro No. 3.1

El programa de obras está dado por la secuencia de equipamiento de generación y transmisión esperado para ingresar al servicio dentro del periodo de análisis de 48 meses señalado por la LCE.
Para establecer el programa de obras se tiene en cuenta aquellas factibles de entrar en operación en el periodo, considerando las que se encuentran en construcción y aquellas contempladas en el Plan Referencial de Electricidad, entre otras. Se presta especial atención al mantenimiento del equilibrio entre la oferta y la demanda, orientado al reconocimiento de costos de eficiencia y a la estructuración de los mismos, de manera que promuevan la eficiencia del sector.
Es importante señalar que, a partir de la presente fijación tarifaria, se aplica la modificación del Artículo 123° del Reglamento, dispuesto mediante el Decreto Supremo N° 010-2004-EM, el cual señala que “Se consideran factibles de entrar en operación en el período a que se refiere el inciso a) del Artículo 47° de la Ley, aquellos proyectos de generación y transmisión cuyos títulos no se encuentren en causal de caducidad o cancelación según corresponda y que cumplan con los requisitos y condiciones que se aprueben por resolución ministerial”.
El programa de obras de generación y transmisión en el SEIN que se emplea para la presente fijación tarifaria se muestra en los Cuadros No. 3.2 y 3.3, respectivamente. Cabe señalar que se ha incluido, en la relación de los proyectos de transmisión, la factibilidad del ingreso en abril de 2007 de la segunda terna de la línea de transmisión Zapallal - Chimbote, de acuerdo con el resultado del Plan de Expansión del Sistema de Transmisión de REP, contenido en el Documento STE-2110-724 de fecha setiembre de 2004.
Cuadro No. 3.2

Cuadro No. 3.3

El Cuadro No. 3.4 presenta la información de las principales características de las centrales hidroeléctricas que actualmente operan en el SEIN. Cabe destacar que en la presente fijación tarifaria se ha tomado conocimiento[13] del retiro de operación comercial de la unidad de generación N° 4 (2,94 MW) de la C.H. Pachachaca desde el 01 de agosto de 2004 y su traslado a la C.H. Oroya para su repotenciamiento. Asimismo, se considera 643,13 MW como potencia para la central Santiago Antúnez de Mayolo, con base en el análisis efectuado en el Anexo F.
Cuadro No. 3.4

A continuación, en el Cuadro No. 3.5 se presenta la capacidad, combustible utilizado y rendimiento de las centrales termoeléctricas existentes del SEIN. Cabe destacar que en la presente fijación tarifaria se ha tomado conocimiento[14] del retiro de operación comercial de las unidades de generación de la C.T. Tintaya y de la unidad Skoda 2 de la C.T. Taparachi desde el 28 de julio y 23 de agosto de 2004, respectivamente, así como del cambio de combustible de la C.T. Piura de Diesel N° 2 a Residual N° 6.
Cuadro No. 3.5

Los costos marginales se calculan a partir de los costos variables relacionados directamente a la energía producida por cada unidad termoeléctrica.
Los costos variables se descomponen en Costos Variables Combustible (CVC) y Costos Variables No Combustible (CVNC).
El CVC representa el costo asociado directamente al consumo de combustible de la unidad termoeléctrica para producir una unidad de energía. Dicho costo se determina como el producto del consumo específico de la unidad (por ejemplo, para una TG que utiliza Diesel Nº 2 como combustible, el consumo específico se expresa en kg/kWh) por el costo del combustible (por ejemplo, para el Diesel Nº 2 dicho costo está dado en US$/Ton), y viene expresado en US$/MWh o mils/kWh[15].
El Costo Variable No Combustible (CVNC) representa el costo, no asociado directamente al combustible, en el cual incurre la unidad termoeléctrica por cada unidad de energía que produce. Para evaluar dicho costo se determina la función de costo total de las unidades termoeléctricas (sin incluir el combustible) para cada régimen de operación; a partir de esta función se deriva el CVNC como la relación del incremento en la función de costo ante un incremento de la energía producida por la unidad.
El procedimiento anterior proporciona tanto el CVNC de las unidades termoeléctricas, como los Costos Fijos No Combustible (CFNC) asociados a cada unidad termoeléctrica, para un régimen de operación dado (número de arranques por año, horas de operación promedio por arranque y tipo de combustible utilizado). El Cuadro No. 3.8, más adelante, muestra los CVNC resultantes de aplicar el procedimiento indicado.
En el Anexo C se presenta el análisis de la revisión del CVNC propuesto por el COES-SINAC para las unidades de la central termoeléctrica de Ventanilla operando con gas natural de Camisea, y las unidades de la central termoeléctrica de Ilo 1.
En lo relativo al CVC, el precio que se utiliza para los combustibles líquidos (Diesel Nº 2, Residual Nº 6 y Residual Nº 500) considera la alternativa de abastecimiento en el mercado peruano, incluido el flete de transporte local hasta la central de generación correspondiente.
En el modelo de simulación de la operación de las centrales generadoras se considera como precios de combustibles líquidos los fijados por PetroPerú S.A. en sus diversas plantas de ventas en el ámbito nacional.
El Cuadro No. 3.6 presenta los precios de PetroPerú S.A. para combustibles líquidos en la ciudad de Lima (Planta Callao), así como en las Plantas Mollendo e Ilo, al 31 de agosto de 2004[16].
Cuadro No. 3.6

De acuerdo con el Artículo 124º del Reglamento[17], y como resultado de la comparación entre los precios locales del combustible (precios de PetroPerú S.A.) y los precios del mercado internacional, se verifica que los precios locales se ubican dentro del precio promedio del mercado internacional. Esta relación se volverá a revisar, para la publicación de las Tarifas en Barra, considerando los precios a setiembre de 2004.
Los precios del mercado internacional se determinan a partir de los precios en la Costa del Golfo de los EE.UU., según los registros del “Platt’s Oilgram Price Report”, agregándole los precios de transporte, seguros, manipulación y aranceles hasta su puesta en el mercado interno.
Según el Artículo 124º del Reglamento, los precios del combustible deben ser tomados de los precios del mercado interno. No obstante, mediante la Resolución Directoral N° 038-98-EM/DGE, expedida el 25 de noviembre de 1998, se precisó que, para la fijación de las tarifas de energía en barra, los costos variables de operación de las centrales de generación termoeléctrica que utilizan como combustible el gas natural serán establecidos por la Comisión de Tarifas de Energía (hoy OSINERG).
Por los motivos indicados, el precio máximo del gas natural para todas las unidades de generación debe ser determinado tomando como referencia el precio del gas en Camisea más el costo del transporte y distribución respectiva en Lima. Así, el Decreto Supremo N° 055-2002-EM, publicado el 21 de diciembre de 2002 en el Diario Oficial El Peruano, señala que se tomará como precio del mercado interno para los fines a que se refiere el inciso c) del Artículo 124° del Reglamento, el precio único[18] que se obtenga como resultado del procedimiento N° 31 C, “Información de Precios y Calidad de Combustible de Gas Natural” aprobado mediante la Resolución Ministerial N° 609-2002-EM/DM, teniendo como límite superior el precio máximo dispuesto por la Resolución Directoral N° 007-2001-EM/DGE. La aplicación de esta recomendación permite obtener un precio máximo para la presente regulación de 1,746 US$/MMBtu, valor que resulta igual al precio del gas natural de Camisea.
Al respecto, como resultado de la aplicación del procedimiento N° 31 C, “Información de Precios y Calidad de Combustible de Gas Natural”, los precios de gas natural declarados en junio de 2003 para las centrales de Aguaytía y Malacas fueron de 0,9 US$/MMBtu y 2,9202 US$/MMBtu, respectivamente. Dichos precios, debidamente actualizados al 31 de agosto de 2004 resultan en 0,9269 US$/MMBtu y 2,9622 US$/MMBtu; al ser comparados con el precio limite de 1,746 US$/MMBtu, se concluye que los precios de gas natural, a utilizarse en la fijación de Tarifas en Barra, para las centrales termoeléctricas de Aguaytía y Malacas son de 0,9269 US$/MMBtu y 1,746 US$/MMBtu, respectivamente.
Entre los combustibles utilizados para la generación eléctrica, se encuentra el carbón que es consumido en la Central Termoeléctrica Ilo 2. El precio del carbón está expresado en US$/Ton referido a un carbón estándar de Poder Calorífico Superior (PCS) de 6 240 kcal/kg.
El precio para este combustible (62,08 US$/Ton vigente al 31 de agosto de 2004) presentado por el COES-SINAC en el ESTUDIO, se revisó y verificó que no supere el precio de referencia del carbón calculado por el OSINERG. En este sentido, el valor proporcionado por el COES-SINAC ha sido tomado como precio base para la presente fijación tarifaria, considerando lo dispuesto en el Artículo 124° del Reglamento de la LCE.
Con el objeto de incluir las variaciones en el precio del carbón
en la actualización del precio de la electricidad se desarrolla la siguiente
relación para actualizar el precio Base del carbón (PPIAEqo):

Donde:
A: 0,3009
B: 0,6991
FOBCB: Precio Referencial FOB del Carbón Bituminoso en US$/Ton
Los precios de los combustibles puestos en cada central se calculan tomando en cuenta el precio del combustible en el respectivo punto de compra, el flete, el tratamiento del combustible y los stocks (almacenamiento) para cada central eléctrica. En este sentido, es posible tomar como referencia la información del Cuadro No. 3.6 (precios del combustible en Lima) y calcular un valor denominado “Otros” para relacionar el precio del combustible en cada central con respecto al precio en Lima. Este resultado se muestra en el Cuadro No. 3.7.
Cuadro No. 3.7
Con los precios anteriores y los consumos específicos del Cuadro No. 3.4 se determinan los costos variables totales de cada unidad generadora como se muestra en el Cuadro No. 3.8.
Cuadro No. 3.8

Se mantiene el costo de racionamiento establecido por el OSINERG para la anterior fijación de Precios en Barra: 25,0 centavos de US$ por kWh.
El Cuadro No. 3.9 presenta el Precio Básico de la Energía en la barra base Lima, el cual se determina con la optimización y simulación de la operación del SEIN para los próximos 48 meses.
Cuadro No. 3.9

El Precio Básico de la Potencia para la presente fijación se determina a partir de la utilización de los costos correspondientes a una unidad de unidad de punta, turbogas operando con combustible diesel, a la cual, con respecto a los valores utilizados en la fijación tarifaria anterior, se le ha modificado, entre otros, el precio FOB del turbogenerador, la tasa de interés durante la construcción y el costo fijo de operación y mantenimiento.
No se ha considerado el factor de envejecimiento y se han corregido algunos de los costos que componen el costo fijo de operación y mantenimiento respecto al valor propuesto por el COES-SINAC en el ESTUDIO (70,13 US$/kW-año); el detalle de las razones que conducen a adoptar esta determinación se encuentra en el Anexo H.
El Cuadro No. 3.10 muestra los costos utilizados para la unidad y la determinación del Precio Básico de la Potencia.
Cuadro No. 3.10

Los factores de pérdidas utilizados para expandir los precios de potencia y energía a partir de las barras de referencia se calculan considerando el despacho económico del sistema. En este sentido, en el caso de los factores de pérdidas marginales de energía se utiliza el modelo PERSEO que permite una ponderación apropiada de los factores de pérdidas determinados para las diferentes situaciones hidrológicas, para los diferentes meses y para los diferentes niveles de carga en el sistema.
Para el caso de los factores de
pérdidas de potencia se emplea el despacho en la hora de máxima demanda del
sistema utilizando un flujo de carga AC. Con respecto a la propuesta del COES
se realizan las siguientes modificaciones:
·
Se
ha retirado la demanda del Ecuador (82 MW) del bloque de máxima demanda.
·
Se
ha corregido el valor de la demanda máxima de acuerdo con los ajustes
realizados por el OSINERG.
·
Se
ha corregido el valor de la potencia efectiva de la C.H. Mantaro a 641,33 MW.
Los resultados de los factores
de pérdidas se presentan en el Cuadro No. 3.11.
Cuadro No. 3.11

La barra de referencia para la aplicación del Precio Básico de la Energía es la ciudad de Lima (barras de San Juan, Santa Rosa y Chavarría a 220 kV). Lima representa alrededor del 50% de la demanda del SEIN y es un punto al cual convergen los sistemas secundarios de los principales centros de generación. Para el Precio Básico de la Potencia se considera como referencia la ciudad de Lima en 220 kV, por ser ésta la ubicación más conveniente para instalar capacidad adicional de potencia de punta en el SEIN. De acuerdo con el último análisis realizado por el OSINERG y por el COES-SINAC, se coincide en señalar que el lugar más conveniente para instalar capacidad adicional de punta es la ciudad de Lima.
Las tarifas teóricas de potencia y energía en cada Subestación Base se determinan expandiendo los precios básicos con los respectivos factores de pérdidas y se muestran en el Cuadro No. 4.1. En el mismo cuadro se presentan los correspondientes cargos por transmisión[19].
Cuadro No. 4.1

Los precios del cuadro anterior, antes de tomarse como precios en barra, deben compararse con el precio promedio ponderado del mercado libre, como se indica a continuación. Este precio promedio ponderado se obtiene aplicando a los clientes libres los precios de la facturación del último semestre.
A fin de cumplir con la disposición del Artículo 53º de la Ley de Concesiones Eléctricas[20] y Artículo 129º de su Reglamento,[21] se comparan los precios teóricos con el precio promedio ponderado del mercado libre.
El Cuadro No. 4.2 muestra el resultado de la comparación entre precios teóricos y libres.
Para el Sistema Eléctrico Interconectado Nacional, el precio libre promedio resulta 11,937 céntimos de S/./kWh. De conformidad con el Artículo 129º inciso c) del Reglamento, al aplicarse a dicho mercado los precios teóricos calculados en el numeral 4.1, el precio ponderado resultante es 11,891 céntimos de S/./kWh. La relación entre ambos precios resulta 0,9961. Esta relación muestra que los precios teóricos no difieren en más del 10% de los precios libres vigentes, razón por la cual los precios teóricos de la energía son aceptados como Tarifas en Barra definitivas.
Cuadro No. 4.2

Dado que el precio teórico se encuentra en el rango del 10% del precio libre, los valores resultantes no requieren ser ajustados. En el Cuadro No. 4.3 se muestran los precios, en moneda extranjera, aplicables para la presente fijación de Tarifas en Barra.
Asimismo, el Cuadro N° 4.4 contiene los precios del Cuadro N° 4.3, expresados en Nuevos Soles, utilizando el tipo de cambio vigente al 31 de agosto de 2004: 3,358 S/./US$.
Cuadro No. 4.3

Cuadro No. 4.4

Para la actualización de los precios se utilizan las mismas fórmulas empleadas en anteriores regulaciones tarifarias de precios en barra.
En lo que sigue de esta sección se presentan los factores que representan la elasticidad de los precios de la electricidad a la variación de los insumos empleados para su formación.
Para determinar la incidencia de cada uno de los factores que componen el precio total de la energía del SEIN se debe evaluar el incremento producido en el precio total de la energía ante un incremento de un factor a la vez. La incidencia del tipo de cambio se determina como 100% menos la suma de las incidencias del resto de factores
A continuación se presentan los factores de reajuste a utilizar para la actualización del precio de la energía (Cuadro No. 5.1).
Cuadro
No. 5.1

En el caso del SEIN el tipo de cambio (M.E.) tiene una participación de 79,9% del costo total de la potencia de punta, mientras que el Índice de Precios al por Mayor (M.N.) tiene el restante 20,1%, como se desprende del Cuadro No. 5.2.
Cuadro No. 5.2

En los sistemas aislados abastecidos por centrales no pertenecientes al Sistema Eléctrico Interconectado Nacional, se ha efectuado la actualización de las tarifas empleando las fórmulas de indexación de precios establecidas en los estudios realizados anteriormente.
La metodología empleada en dichos estudios no requiere la revisión frecuente de los mismos por cuanto la fórmula de actualización establecida para los precios de los sistemas aislados recoge de manera adecuada las variaciones que se pudieran producir, de un año al otro, en los parámetros que determinan la tarifa.
Cabe señalar que en los estudios efectuados anteriormente para los sistemas aislados, se consideró que la demanda es abastecida con un sistema de generación adaptado a las necesidades de cada carga. Para tal fin se calculó el costo que resulta de agregar las componentes de inversión y de operación y mantenimiento para abastecer cada kWh de la demanda. La multiplicación del consumo total del año por el costo así determinado del kWh debe permitir recuperar los costos anuales de inversión y operación de una instalación suficiente para abastecer la demanda con una reserva adecuada.
Para cada sistema se utiliza el tipo de unidad generadora típica del mismo. Los costos de inversión incluyen la anualidad de la inversión de la unidad de generación, las obras civiles de la central y la subestación eléctrica de salida de la central. Los costos de operación considerados incluyen los costos fijos de personal más los costos variables combustible y no combustible.
Por lo señalado, en esta oportunidad se mantienen también las fórmulas de actualización, para la potencia y energía, establecidas en la fijación de tarifas en barra anterior.
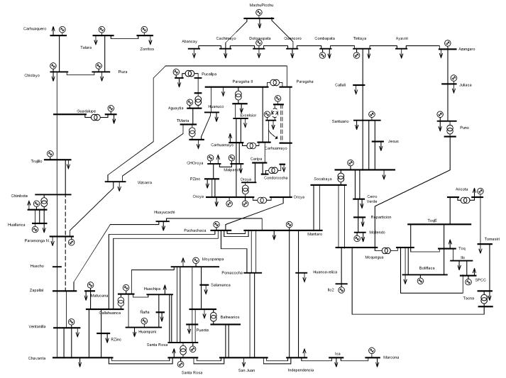
A continuación se presentan los anexos al informe. En esta parte se discuten los temas especializados del informe y se analiza la respuesta del COES-SINAC a las observaciones formuladas por el OSINERG (en adelante “OBSERVACIONES”) a su Estudio Técnico Económico para la fijación de las Tarifas en Barra, así como las opiniones y sugerencias presentadas por los interesados al Proyecto de resolución que fija las Tarifas en Barra. Se adjunta un diagrama unifilar del Sistema Eléctrico Interconectado Nacional.
A.1 Modelo
Econométrico
En términos econométricos,
el modelo propuesto es una transformación de la ecuación (de una versión lineal
a otra doble logarítmica) manteniendo las variables exógenas o explicativas del
modelo inicial, por lo que no representa un cambio sustancial de modelo. La ventaja
de esta transformación es que corrige algunos de los problemas econométricos
detectados en el modelo inicial y permite estimar elasticidades ingresos y
precios constantes, lo que se refleja en una mejora en la capacidad predictiva
del modelo.
De otro lado, la
inclusión de la variable ficticia o dicotómica (dummy_92) es un artificio
utilizado para separar y aislar el impacto del racionamiento de energía
eléctrica del año 1992, con lo cual se corrige el problema de corte estructural
detectado en el modelo inicial. Este artificio lo único que hace es excluir de
la estimación la observación fuera de la muestra que se tiene en 1992 sin
modificar la estructura básica del modelo.
Cabe
señalar, sin perjuicio de lo indicado en los párrafos anteriores, que se debe ir
mejorando el modelo a fin de eliminar, entre otros, los problemas siguientes:
·
Problemas
de multicolinealidad: Las correlaciones (en logaritmos) de la variable población con las otras son aún
estadísticamente significativas (con PBI: 85% y con tarifa: 67%).
·
Relevancia
de la variable población: Una mejor especificación sería estimar la
demanda de energía por tipo de usuario en vez de la variable población. La
utilización de la variable tendencia de alguna manera podría ser más apropiada
para describir el crecimiento de largo plazo dentro de un modelo agregado.
·
No
se consigue que todas las series sean estacionarias: En el caso de las series
que no sean estacionarias, deberán realizarse las transformaciones necesarias
para lograr obtener series con media y varianza independientes del tiempo..
Medición de las variables PBI del SEIN y
ventas de energía del SEIN: El impacto indirecto de los proyectos mineros sobre
el PBI no sería marginal. Si consideramos que las cargas especiales incluyen
las principales empresas mineras del país, es claro que este grupo de empresas
totalizan una buena parte del PBI minero. De acuerdo con el cuadro adjunto, la
minería representa entre el 3,5% y el 4,9% del PBI entre 1992 y el 2002, lo que
demuestra que: i) el aporte no es marginal; y, ii) su contribución al PBI no es
constante, es decir, varía a través del tiempo. Es por ello que es necesario
que el modelo econométrico usado considere un PBI que excluya el aporte de las
cargas especiales; en caso contrario, existiría un problema de doble
contabilidad.

Fuente:
INEI
En segundo lugar, no se está solicitando
calcular el impacto indirecto de las cargas especiales, ya que se supone que
esto ya viene siendo cuantificado por el PBI del resto de sectores, es decir, la
demanda de insumos industriales adquiridos por estas empresas, por ejemplo, ya
está medida implícitamente en el PBI manufacturero. En este sentido, el cálculo
requerido no es tan complicado, sólo se debe cuantificar el aporte directo al
PBI de estas cargas especiales.
A pesar de no solucionar algunas falencias que aún se mantienen en el modelo ajustado, éste representa una mejora significativa tal como se mencionó al comienzo y, en consecuencia, se ha visto por conveniente emplear, para efectuar el pronóstico de ventas de la demanda, el modelo propuesto por el COES-SINAC y que, en esencia, es similar al utilizado en la fijación de tarifas de mayo de 2004. Este modelo ha sido utilizado para proyectar las ventas para el horizonte 2005-2008 por las razones expuestas en el apartado A.2.3 siguiente.
Cabe señalar, además, que el
COES-SINAC, mediante oficio COES-SINAC/D-692-2004, ha puesto a consideración
del OSINERG la propuesta de un nuevo modelo econométrico, para su aplicación a
partir de la fijación de tarifas de mayo de 2005, el mismo que está siendo
revisado por el OSINERG, de acuerdo a lo dispuesto en el Artículo 121° del
Reglamento[22]. Este nuevo modelo reemplaza
la variable población por la tendencia (debido al carácter determinístico de la
población), se estima la ecuación en primeras diferencias (para evitar
problemas de multicolinealidad y no estacionariedad), se descarta la variable
tarifa (por ser estadísticamente no significativa) y, finalmente, corrige un
problema de correlación serial de primer orden.
A.2 Proyección de la
Demanda
A.2.1 Respecto del PBI
Con
relación al proceso metodológico empleado por el COES-SINAC para la proyección
del PBI correspondiente al período 2004-2009, subsisten los siguientes
problemas:
Sobre el Proceso Metodológico:
Proyección del PBI regional del SEIN.- El
COES-SINAC sostiene que mantendrá la misma metodología de proyectar el PBI
nacional como símil del PBI del SEIN, porque las tasas de crecimiento del PBI
del bloque de regiones del SEIN y del PBI nacional convergerán a lo largo del
período de proyección.
Este
argumento no es satisfactorio dado que, para validar dicho supuesto, el
COES-SINAC debería incluir información sobre la participación que las regiones
del SEIN y las que no pertenecen al SEIN tienen sobre el Valor Agregado Bruto
(VAB) nacional de cada uno de los sectores productivos (agropecuario, pesca,
minería, manufactura, construcción, comercio y servicios). Si bien el PBI del
SEIN entre 1998 y 2001 representa en promedio el 93,3% del total, por razones
de transparencia y rigurosidad metodológica, el COES-SINAC debería incluir
información sectorial desagregada a nivel regional, con el fin de evaluar el
impacto que un futuro ‘shock’ sectorial originado en alguna región no
perteneciente al SEIN pudiese causar sobre la distribución económica regional.
Sobre las Premisas Consideradas:
·
Premisas
del Sector Agropecuario.- Con relación a la proyección del crecimiento del
sector agropecuario en el 2005 (5%), el COES-SINAC considera que no hay
elementos para prever factores climáticos adversos en el 2005. Esta afirmación
no es cierta dado que actualmente existe información pública que indica que las
condiciones climáticas no serán del todo favorables en el 2005 como para lograr
una expansión del orden del 5%. Según el departamento de agro meteorología del
SENAMHI, durante la temporada agrícola 2004-2005, las escasas precipitaciones
en la costa ocasionarán bajos niveles de almacenamiento de agua en reservorios,
insuficientes para lograr una plena recuperación de los cultivos intensivos en
el uso del agua. Además, agregan que las sequías en la sierra sur y central se
prolongarán hasta mayo del 2005. Por tal motivo, el valor para la proyección
agrícola del 2005, al no considerar este efecto, estaría sobre estimando, en
consecuencia, las tasas de crecimiento de los sectores que forman parte de la
cadena de eslabonamientos de la actividad agropecuaria (manufactura, comercio y
servicios).
·
Premisas
del Sector Comercio.- El COES-SINAC considera que la expansión física de las
cadenas de tiendas por departamento y otros centros de comercio es un adecuado
factor de crecimiento. Al respecto, se debe señalar que la consideración de que
esta expansión es representativa del crecimiento sectorial y que no genera el
deterioro de otros canales de comercialización, sólo es valida si la
disponibilidad de productos es infinita. En la práctica, la disponibilidad de
productos a comercializar es finita y está influenciada por el desempeño de
algunos de los rubros de los sectores agropecuario, pesca, minería y
manufactura y de la importación de bienes. Por tal motivo, el peso de los
sustentos para la proyección del sector comercio debe recaer sobre el nivel de
la disponibilidad de los productos, y tal como se ha indicado en el punto
2.1.5.1 de las OBSERVACIONES, para el caso del abastecimiento de productos
agrícolas y fabriles de alimentos y bebidas, las condiciones del 2005 no serán
tan promisorias.
·
Premisas
del Sector Servicios.- El COES-SINAC manifiesta que el cálculo del VAB
servicios corresponde a una combinación lineal del crecimiento de los demás
sectores y que la tasa de crecimiento es validada por el conocimiento del
sector por parte de los analistas. Sin embargo, dada la importancia que el
sector servicios tiene dentro de la economía, no se adjunta la explicación de
las premisas que validan estas proyecciones.
En consecuencia, ante las evidentes y comprensibles diferencias de
percepción en lo que se refiere a las expectativas de crecimiento económico,
las mismas que varían de un agente económico a otro agente económico, es
preferible considerar una expectativa promedio de estos agentes y no sólo la
percepción de un analista o consultora en particular.
En este sentido, es recomendable recurrir a la encuesta mensual de
expectativa de crecimiento económico que realiza el BCRP, la que consulta a una
importante cantidad de analistas e instituciones financieras y no financieras
del país.
Tabla N° A.1
Proyecciones Crecimiento PBI

Debido a que los analistas económicos manejan una mayor
cantidad, y mejor calidad, de información económica, se podría optar excluir
las expectativas de crecimiento de las instituciones financieras y no
financieras. De
acuerdo con este criterio, se considera adecuado tomar la mediana de la
percepción de los analistas económicos sobre las expectativas de crecimiento
económico. En consecuencia, el crecimiento esperado del PBI nacional para el
2004 y el 2005 sería de 4,4% y 4,1%, respectivamente. Para el período
2006-2008, dado que no se cuenta con una referencia de otros analistas, se han
considerado los valores propuestos por el COES-SINAC.
Al proceder con este mecanismo para la proyección del
PBI, al menos para los primeros dos años del horizonte de planeamiento, se
obtienen ventajas en los aspectos de transparencia (información pública),
independencia (analistas y entidades financieras sin vinculaciones públicas),
facilidad de acceso (datos accesibles por ambas partes), proyección de
escenario “medio” sobre la base de la
mediana (con lo cual se descartan las proyecciones extremas).
A.2.2. Respecto de Otros
Parámetros de Demanda
Se considera el valor de las ventas de energía correspondientes al año 2003; las pérdidas de distribución, subtransmisión y transmisión para el período de proyección; la participación de ventas de distribuidores en alta y muy alta tensión; y la participación de ventas realizadas por los generadores, los valores resultado del balance comercial al cuarto trimestre del año 2003. Sin embargo, estos parámetros serán corregidos en la etapa de publicación de las Tarifas en Barra, cuando se cuente con el Anuario Estadístico 2003 del OSINERG.
A.2.3. Proyección de la Demanda
del Año 2004
Se ha revisado la información de la demanda a nivel de generación correspondiente al período enero-agosto 2004 y, a través de una proyección de dichos datos para el período setiembre-diciembre 2004 se ha verificado que la demanda proyectada utilizando cualquiera de los modelos econométricos propuestos estaría subestimada con relación a la demanda que se daría el año 2004, tomando como base la información histórica a la fecha.
Al respecto, se ha seguido el siguiente mecanismo de estimación:
· Con los datos de producción horaria se ha determinado el consumo del día laborable promedio (martes a viernes). Los días martes a viernes laborables poseen un comportamiento similar entre ellos y mayor consumo que los otros días típicos de la semana: lunes, sábados, domingos y feriados.
· Como primera aproximación a la solución de la proyección del consumo de energía del año 2004 se tomó como base el consumo del día laborable promedio del período comprendido entre setiembre 2003–agosto 2004. Con esta información se simuló un crecimiento lineal para los meses restantes del año 2004. Dentro de los días martes a viernes de cada semana se realizó una depuración para eliminar los días feriados comprendidos en el período.
· Esta aproximación a la proyección de la demanda se realizó para proyectar el consumo de los próximos 4 meses, considerando únicamente la historia de los 12 últimos meses. El resultado se aprecia en el Gráfico N° A.1.
Gráfico N° A.1

En consecuencia, con este mecanismo se ha comprobado que la demanda proyectada a nivel SEIN por el COES-SINAC para el año 2004 (21 614 GWh) sería superada por la demanda real (valor probable = 21 848 GWh) debido a un error de estimación en el modelo econométrico[23], razón por la cual se verifica la necesidad modificar la proyección de la demanda de energía a nivel generación del SEIN para el año 2004.
A.3 Pérdidas de
Transmisión
Tal como se mencionó en el acápite anterior, el parámetro de las pérdidas de transmisión será corregido en la etapa de publicación de las Tarifas en Barra, cuando se cuente con el Anuario Estadístico 2003 del OSINERG.
Con respecto a la variación de estas pérdidas con la entrada en operación comercial de las centrales termoeléctricas con gas natural en Ventanilla, el COES-SINAC señala que este hecho no haría una contribución significativa a la disminución de las pérdidas de transmisión debido a la ausencia de proyectos de transmisión en el corto y mediano plazo.
Sobre el particular, el OSINERG debe manifestar que se reafirma en considerar que las pérdidas de transmisión sí disminuirían con el ingreso de la planta de generación que utilice el gas natural de Camisea, por las siguientes razones:
· La central de Ventanilla está ubicada cercana a Lima, localidad que representa el centro de carga del SEIN y concentra aproximadamente del 50% de la demanda nacional. Dicho centro de carga es fundamentalmente alimentado, en la actualidad, por centrales hidroeléctricas distantes, siendo el caso que las pérdidas de transmisión son directamente proporcionales a la distancia a la que se encuentran las centrales que alimentan al centro de carga.
· Sin la central de Ventanilla, se requeriría de la importación de energía hacia el centro de carga durante los meses de estiaje y durante las horas punta de los meses de avenida, energía que provendría de la generación en zonas distantes (Piura, Moquegua y Ucayali que totalizan aproximadamente 300 MW), con el consecuente aumento de las pérdidas de transmisión en dicho periodo.
· La central a gas de Ventanilla supone una oferta de 320 MW inicialmente y 380 MW dieciocho (18) meses después en el centro de carga, es decir, se reduciría la necesidad de trasladar energía (descargando a la vez el sistema de transmisión) por grandes distancias para atender el centro de carga del sistema. Este efecto se esperaría en las horas punta y parte de las horas de media demanda.
Por tanto, siendo de esperarse que el sistema de transmisión se descargue al reducirse la cantidad de energía que debe ser transportada por dicho sistema a través de grandes distancias, es de esperarse, por consiguiente, que las pérdidas de transmisión disminuyan también, aun cuando la demanda del sistema se incremente. En este sentido, no basta con que el COES-SINAC simplemente presente especulaciones con respecto al efecto de Camisea en las pérdidas de transmisión, sino que es necesario que el COES-SINAC efectúe los estudios de flujos de potencia y otros que estime convenientes que permitan estimar, de manera técnica, la magnitud de la variación de estas pérdidas en las próximas regulaciones tarifarias.
A.4 Proyectos menores de 10 MW
Las demandas mineras de Marsa y del Consorcio Minero Horizonte al SEIN han sido retiradas de la proyección de la demanda tomando en consideración lo dispuesto en el Artículo 123° del Reglamento de la LCE, que establece que sólo se deben considerar por separado en la proyección de demanda los proyectos con demandas superiores a 10 MW, siempre que cumplan con los requisitos y condiciones que se aprueben por resolución ministerial.
Cabe señalar que el modelo actual de proyección elaborado por la firma Monenco Agra también hace mención a este tipo de restricciones para modelar por separado del modelo econométrico cargas que no superan una cierta magnitud, lo cual se hace a fin de evitar contabilizar efectos que ya estarían siendo considerados en el modelo econométrico.
Anexo B
Interconexión
con el Ecuador
El OSINERG, en cumplimiento de lo dispuesto por la Disposición Transitoria Única del Decreto Supremo N° 010-2004-EM, ha remitido al Ministerio de Energía y Minas, la propuesta de procedimiento para la simulación de las transacciones de corto plazo que se hubieran producido en el enlace con el Ecuador durante el año 2003.
Dicha propuesta ha sido utilizada para efectuar la simulación que corresponde para el cálculo de las Tarifas en Barra. A continuación se describen los aspectos más importantes del procedimiento empleado.
B.1 Procedimiento para
la Determinación de Intercambios a través del Enlace de Interconexión Eléctrica
Perú – Ecuador en una Primera Etapa sin Estación Convertidora Asíncrona
Acorde con estudios técnicos realizados[24], el enlace de interconexión Perú – Ecuador, en su etapa inicial de operación, no contará con la estación convertidora asíncrona contemplada en el proyecto[25], por lo que no podrá operar en paralelo con los sistemas eléctricos de los dos países, sino por un breve lapso de tiempo, del orden de 5 minutos, en el que sólo se podrá realizar la transferencia de la carga de un sistema a otro a través de una configuración que se ha denominado “operación radial de la interconexión”. Esta operación, por su complejidad, riesgo y costo involucrados, no será realizada con una frecuencia que siga la variación diaria de la carga, sino de acuerdo con la variación estacional de la hidrología de los sistemas de generación hidroeléctricos de ambos países, y/o cuando las contingencias operativas de los sistemas eléctricos interconectados de ambos países así lo exijan.
La inflexibilidad que presenta el enlace de interconexión sin la estación convertidora asíncrona, lleva a que la operación económica del enlace sea realizada mediante un despacho económico de carga, que contemple la transferencia de cargas de un país a otro acorde a los costos que representa la atención a esta demanda desde un sistema u otro, en un horizonte suficiente como para que amerite la modificación de dichos costos. Dado que el principal factor de cambio en los costos en este caso es la hidrología, cuyo cambio es lento a lo largo del tiempo, se toma como base para este horizonte períodos mensuales que son ampliamente utilizados en evaluaciones hidrológicas estacionales.
Otro factor que afecta los costos del suministro a una carga transferida, bajo la “operación radial” descrita, es la disponibilidad de equipamiento de generación y transmisión en el período de operación; es así que los mantenimientos y contingencias en los sistemas deben tomarse en cuenta en la decisión de transferencia de carga de un sistema a otro.
Por otro lado, el esquema de transferencia de carga podría extenderse también a la transferencia de generación en la zona fronteriza entre ambos países; no obstante, se requiere validarlo con una extensión de los estudios operativos técnicos efectuados a la fecha, y de ser viable, llevar a consensos legales, operativos y comerciales en acuerdos bilaterales, que a la fecha no pueden ser considerados.
Dado que en la “operación radial” se tienen costos fijos y variables, la mejor adaptación a un despacho económico óptimo se daría si es que la magnitud de cargas a transferir pueda ser variable aunque con valores discretos a nivel de alimentadores en Alta Tensión con posibilidad de ser transferidos de un sistema a otro.
Sobre este aspecto el Ecuador, acorde a los resultados de las conversaciones bilaterales, está estudiando la adecuación de su sistema en Machala (la zona cuya carga estaría prevista transferir hacia el Perú) para posibilitar la disgregación en bloques de carga. En el lado del Perú los bloques “transferibles” son los suministros en las barras de Tumbes y Talara.
LA PROPUESTA DEL COES-SINAC
En sus propuestas inicial y final, el COES-SINAC presentó criterios y metodología para la determinación de la demanda e inyección de energía debido a la interconexión eléctrica Perú-Ecuador, considerando una comparación de costos marginales sancionados para el 2003, a fin de determinar la asignación de cargas a uno u otro sistema a nivel de bloque horario de energía.
Este criterio, como fue observado en su oportunidad, no es aplicable en la práctica, debido a que no toma en cuenta las restricciones del enlace en “operación radial” y, por lo tanto, no es técnicamente posible realizar transacciones a nivel de bloques horarios, como prevé el COES-SINAC.
ANÁLISIS DEL OSINERG
General
Dada la situación de la interconexión Perú-Ecuador, señalada al inicio del presente Anexo, la demanda e inyección de energía eléctrica, que determina la exportación o importación de electricidad a través del enlace, se realizará tomando en consideración las restricciones técnicas que el enlace bajo “operación radial” conlleva, y lo que a la fecha se conoce o tiene validación técnica.
Es así que, para la presente fijación tarifaria, la energía de exportación o importación a través de la interconexión con Ecuador será determinada considerando solo la transferencia de carga de un sistema a otro, mas no así la transferencia de generación, actualmente no definida.
Asimismo, mientras no se tenga mayor información técnica que valide la desagregación de la carga transferible del Ecuador (Machala) en varios bloques de carga (alimentadores en Alta Tensión), esa carga será representada por un solo bloque.
Criterios
Para la determinación de la energía de exportación o importación a través de la interconexión se seguirán los siguientes criterios:
a) De conformidad con lo dispuesto por el Decreto Supremo N° 010-2004-EM, el período de análisis en el que se analiza y simula la operación de la interconexión será de Enero a Diciembre del Año 2003.
b) El análisis y las simulaciones considerarán la hidrología de registro histórico del 2003, así como la disponibilidad de equipos de generación y líneas de transmisión en el año 2003.
c) Se considerarán como cargas transferibles a uno u otro sistema:
(i) Perú:
Tumbes y Talara
(ii) Ecuador:
Machala
d) Para definir la transferencia de carga de un sistema a otro se considerarán los siguientes costos:
·
Costo Marginal Promedio Mensual en el nodo
frontera.
·
Costo de la Potencia de Generación
·
Costo de Peajes de Transmisión
·
Sobre costos por combustible y costos variables de
operación y mantenimiento, para compensación Potencia: Precios de Potencia en
el nodo frontera.
e) No se consideran impuestos en las transacciones.
Metodología
Tomando en consideración la situación en que va a operar la interconexión se ha desarrollado una metodología que contempla cuatro etapas:
a) Primera Etapa - Modelamiento y Simulación de Exportación del SEIN (Perú) o SIN (Ecuador): En esta etapa se modela y simula el SEIN (Perú) y el SIN (Ecuador) para determinar su despacho económico ante diversos niveles de potencia de exportación o importación por el enlace de interconexión Perú – Ecuador, bajo las restricciones técnicas de operación de éste sin el convertidor asíncrono.
b) Segunda Etapa - Revisión de Requerimientos Técnicos de Exportación o Importación por el Enlace de Interconexión: En esta etapa se determina y cuantifica el uso adicional de recursos del SEIN (Perú) o SIN (Ecuador) para satisfacer los requerimientos técnicos mínimos de calidad en las barras de carga de ambos sistemas ante el flujo de energía por el enlace de interconexión.
c) Tercera Etapa - Construcción de Curvas de Oferta del SEIN (Perú) y SIN (Ecuador): En esta etapa se determina la Curva de Oferta del SEIN (Perú) o SIN (Ecuador) para todo el rango de niveles de potencia de exportación y los costos asociados a estos para el despacho mensual.
d) Cuarta Etapa - Despeje del Mercado y Definición del Programa de Despacho: En esta etapa se determina la magnitud de los flujos de intercambio de energía por la interconexión, mediante el despeje a partir de las Curvas de Oferta del SEIN (Perú) y SIN (Ecuador), con el que quedará definido el Programa de Despacho Económico de ambos sistemas.
Datos
y Premisas para las Simulaciones
En la aplicación de la metodología se ha considerado lo siguiente:
a) Las demandas históricas de Machala (Provincia El Oro) y costos marginales históricos del Sistema Interconectado Nacional de Ecuador para el 2003 han sido tomados de la información del CENACE de Ecuador.
b) Se consideran los costos de potencia, costos variables de unidades de generación y peajes de la Fijación de Tarifas en Barra de Mayo 2003.
c) Las capacidades mínimas de las unidades de generación térmicas, para fines de compensación reactiva, se han tomado del COES-SINAC.
d) Se considera que toda la operación de sincronización y transferencia de carga de un sistema a otro, contemplado en los estudios técnicos, requiere generación de unidades térmicas por 2 horas, considerando el tiempo mínimo de operación y el tiempo de maniobras.
Las simulaciones para la determinación del lado peruano han sido realizadas con el modelo PERSEO con las siguientes consideraciones:
a) Hidrología del año 2003
b) Modelamiento del SEIN en cuatro nodos:
i.
Norte Frontera: Entre Zorritos y Piura.
ii.
Norte Medio: Entre las barras de Chiclayo a
Chimbote.
iii.
Centro: Entre Paramonga–Lima–Marcona y la C.H.
Mantaro.
iv.
Sur: Todas las barras al sur de la barra Socabaya.
c) Seis bloques horarios ajustados a la curva de demanda del SEIN; y para el caso de la carga transferida del Ecuador, con la curva de demanda histórica (demanda de Machala).
Resultados
Los resultados del análisis y simulaciones concluyen en la siguiente exportación e importación de energía eléctrica del SEIN:
Transferencias de Energía del SEIN a Través del Enlace de
Interconexión Perú - Ecuador |
||
|
Mes |
Energía Importada1 (MWh) |
Energía Exportada (MWh) |
|
Enero |
0 |
38 165 |
|
Febrero |
0 |
34 470 |
|
Marzo |
0 |
38 874 |
|
Abril |
0 |
39 173 |
|
Mayo |
0 |
0 |
|
Junio |
0 |
0 |
|
Julio |
14 856 |
0 |
|
Agosto |
0 |
0 |
|
Septiembre |
0 |
0 |
|
Octubre |
0 |
0 |
|
Noviembre |
0 |
0 |
|
Diciembre |
0 |
0 |
|
Total |
14 856 |
150 682 |
|
Neto |
|
135 826 |
|
|
|
|
|
Notas: |
|
|
|
(1) Transferencia de Tumbes y Talara al SIN
(Ecuador) |
||
|
(2) Transferencia de Machala al SEIN |
||
B.2 Renta de
Transmisión
De acuerdo
con lo dispuesto en el Artículo 2° del Decreto Supremo N° 010-2004-EM, “los ingresos marginales que se hayan
producido por la diferencia de los costos marginales de corto plazo de los
sistemas nacionales de los países involucrados en las transacciones
internacionales ejecutadas en caso de exportación desde el SEIN, serán
asignados a la demanda nacional”.
Los
ingresos marginales a que hace mención el Decreto Supremo constituyen lo que se
denomina Renta de Transmisión, la cual deberá ser administrada de acuerdo a los
criterios y procedimientos que disponga el Reglamento de Importación y
Exportación de Electricidad (en adelante “RIEE”) que está elaborando el
Ministerio de Energía y Minas y donde se establecen las normas pertinentes para
las transacciones de importación y exportación de electricidad entre el Sistema
Eléctrico Interconectado Nacional y Otros Sistemas Interconectados,
pertenecientes a los Países Miembros de la Comunidad Andina de Naciones (CAN).
Estos
ingresos marginales se producirán una vez ejecutadas las transacciones
internacionales.
B.3 Fecha de Puesta en
Servicio
De acuerdo con lo señalado por la empresa Transelectric S.A., en su Oficio N° PE-est-03294-04 de fecha 25 de agosto de 2004 (el cual se adjunta al presente), la Primera Fase de la Interconexión Perú-Ecuador estaría concluida el 23 de noviembre de 2004, con lo cual el enlace internacional recién a partir de esta fecha estaría a disposición de los operadores de los sistemas eléctricos a fin de que procedan con las pruebas sistémicas y operación experimental.
En este sentido, la puesta en operación efectiva del enlace de interconexión Perú-Ecuador, en actual ejecución, no depende únicamente de su conclusión física por parte de la empresa a cargo de la construcción del enlace, sino de la culminación de pruebas por parte de los operadores de ambos países. Esto hace que la fecha prevista por el COES-SINAC, para la puesta en operación del enlace en diciembre de 2004 no sea realista y, en consecuencia, se ha tomado por conveniente considerar, de acuerdo con la experiencia en pruebas de este tipo de enlace, un plazo de un mes adicional para su puesta en operación comercial.

Anexo C
Costo
Variable No Combustible de las unidades de la C.T. Ventanilla utilizando Gas
Natural y de la C.T. Ilo 1
A continuación se presenta el análisis de la absolución de observaciones por parte del COES-SINAC con relación al Costo Variable No Combustible (en adelante “CVNC”) de algunas unidades de generación. Para efectuar dicho análisis se ha considerado la información presentada por el COES-SINAC tanto en el ESTUDIO como en la ABSOLUCIÓN.
C.1 CVNC unidades C.T.
Ventanilla a gas
Cabe señalar que el OSINERG solicitó en principio que el COES-SINAC sustente las diferencias de los valores propuestos en el ESTUDIO, considerando que estos son muy superiores a los valores de otras centrales a gas que operan en el SEIN y también muy superiores a los reconocidos en otros sistemas con regulación similar a la nuestra, como es el caso chileno.
Al respecto, el COES–SINAC no ha sustentado las diferencias de los costos propuestos respecto a los correspondientes a las unidades de las CC.TT. Aguaytía y Malacas.
Observación 14.1: El OSINERG solicitó al COES-SINAC corregir la potencia efectiva empleada en el cálculo del CVNC, debiendo utilizar los valores indicados en el Cuadro N° 4.5 del ESTUDIO.
Al respecto, el COES-SINAC indica haber presentado el cálculo del CVNC para las dos condiciones de operación de las unidades de la C.T. Ventanilla, es decir, para la operación con y sin inyección de agua, de tal forma que el valor mayor de 160 MW al que hace referencia el OSlNERG estaría siendo considerado, como puede apreciarse en la hoja CVNC y CFNC.
Se ha verificado lo manifestado por el COES-SINAC a través de la revisión del archivo COSTOS-SIEMENS_ FFTT_Nov2004_ABS, donde se observa que se han considerado los valores de potencia a que hizo referencia el OSINERG en la observación remitida, con lo cual la observación ha sido absuelta.
Observación 14.2: El OSINERG señaló que el COES-SINAC había modificado el número de arranques anuales (de 150 a 200) considerado en la determinación del CVNC de las unidades de la C.T. Ventanilla sin sustento alguno, tomando en cuenta además que este tema había sido resuelto recientemente mediante la Resolución OSINERG N° 122-2004-OS/CD.
Con relación a este tema, el COES-SINAC levantó la observación y restauró el número de arranques al valor señalado por el OSINERG (150 arranques anuales), el mismo que había sido propuesto por el COES–SINAC en los procesos tarifarios anteriores.
Observación 14.3: El OSINERG manifiesta, con relación a los porcentajes de cambio de revestimientos cerámicos considerados por el COES-SINAC, que éstos carecen del debido sustento por lo cual solicita se presente la información que sustenta dichos valores.
Al respecto, el COES–SINAC manifiesta que “…los costos de ambos mantenimientos (reparación al 30% y 70%) deben ser revisados en lo que respecta a sus costos, porque no sé está incluyendo el costo del material nuevo”. Agrega que está en consulta con el fabricante para que con una actualización de la estimación de material a reparar se puedan regularizar estos costos y que se espera contar con información actualizada para la próxima fijación tarifaria.
Con esta respuesta, no se ha cumplido con levantar debidamente la observación, por lo que no se dispone del sustento adecuado para tener en cuenta lo señalado por el COES-SINAC. Asimismo, dado que el COES-SINAC ha consultado con el fabricante, es prudente esperar dicha información para su análisis correspondiente. En consecuencia, corresponde mantener los valores empleados en la última regulación.
Observación 14.4: El OSINERG precisa que el tema de las horas dinámicas ha sido resuelto mediante la Resolución OSINERG N° 122-2004-OS/CD, determinándose que las horas dinámicas corresponden al 6,8% de las horas de operación (para 150 arranques anuales) y no al 19,2%, como se propone en el ESTUDIO sin sustento alguno.
Sobre este tema, el COES-SINAC manifiesta lo siguiente:
“El
que OSlNERG haya efectuado una determinada metodología de cálculo para
determinar las horas dinámicas de operación (en adelante "HOD") no da
por resuelto el tema, más aún cuando los argumentos por OSlNERG asumidos según
el lnforme OSINERG-GART/DGT N° 038-2004,
(en adelante el
"INFORME) obedecen a una no adecuada interpretación, por los
motivos que a continuación exponemos:
Es
un hecho que las HOD no responden a características determinísticas, en tal
sentido lo que se debe buscar, es encontrar una mejor estimación de las mismas.
Al respecto OSINERG, a pesar de que lo manifiesta, se aleja de esta posibilidad
al manifestar en el informe que el número de arranques es otro factor que
influye en el número de las HOD,
fundamentándolo equivocadamente en que
la mayor probabilidad de ocurrencia de falla se presenta en la transición del
cambio de posición de las guías de entrada (IGV), lo cual a opinión de OSlNERG
se presenta en cada arranque de la unidad. A este respecto es importante indicar
a OSlNERG que el cambio de la posición de guías de entrada se presenta
permanentemente de acuerdo a la carga (ver Figuras I-1 y 1-2 que se adjuntan en
el Anexo I), dependiendo de la característica de operación de la maquina.
Por
otro lado, además de indicar que el número de arranques ya está incluida por el
fabricante explícitamente en los dos primeros términos de la Ecuación I-1
'Tiempo de Operación Equivalente" que se adjunta en el Anexo I.
Es importante mencionar que en la metodología empleada por OSlNERG el índice 0.00045 correspondiente a las Horas dinámicas / (horas de operación x arranques) no refleja las HOD por año de la Central Termoeléctrica Costanera tal como se verifica en el archivo "Anexo_CVNC_ETEVENSA.xls" que se adjunta en el Anexo I (lo cual hace ver que la inclusión de los arranques como variable explicativa es incorrecta), lo cual sí sucede cuando Se considera el criterio propuesto por ETEVENSA, es decir, el de considerar las HOD como un porcentaje solamente de las horas de operación (HOC), en el cual las HOD para el mismo caso de la Central Termoeléctrica Costanera corresponden a un 23.47% de las HOC, aún así ETEVENSA está considerando inclusive un valor menor, correspondiente al 19.2%; este valor se irá corrigiendo conforme se tenga historia real de operación con gas natural”.
Sobre el particular, en primer lugar, el OSINERG debe precisar lo siguiente:
· El OSINERG no ha manifestado, como afirma el COES–SINAC, que la mayor probabilidad de falla se presenta en la transición del cambio de posición del IGV, dicha afirmación corresponde al COES–SINAC y fue remitida al OSINERG en el proceso de la regulación tarifaria mayo–noviembre 2004. Asimismo, dicha afirmación ha sido remitida nuevamente al OSINERG en el presente proceso en los archivos COSTOS-SIEMENS_FFTT_Nov2004 y COSTOS-SIEMENS_ FFTT_Nov2004_ABS.
· El COES–SINAC señala además que el cambio de posición del IGV se presenta permanentemente, de acuerdo a la carga; sin embargo, en los archivos COSTOS-SIEMENS_FFTT_Nov2004 y COSTOS-SIEMENS_ FFTT_Nov2004_ABS manifiesta que el IGV tiene dos posiciones: 50% abierto y 100%, rango de variación discreto que no permitiría un cambio permanente como se afirma.
Asimismo, con relación a la absolución del COES-SINAC sobre este tema, el OSINERG menciona lo siguiente:
Las horas dinámicas son las horas que se contabilizan para propósitos de programar las inspecciones de la unidad, que toman en cuenta las variaciones bruscas de temperatura a la descarga de la turbina. Los cambios súbitos de carga, los rechazos de carga y los disparos de la turbina a gas originan horas equivalentes adicionales producidas por variaciones de temperatura cuyo gradiente excede los valores establecidos para la carga y descarga de la turbina a gas. Sin embargo, ello no significa que toda hora equivalente producida por estos conceptos debe ser reconocida para propósitos de estimar los costos de mantenimiento que serán trasladados a la tarifa que debe pagar el usuario.
Las fallas producidas en el sistema eléctrico que originan variaciones bruscas de carga y rechazos totales de carga producirán variaciones de temperatura a la descarga de la turbina que originarán las horas dinámicas a ser reconocidas para la estimación de los costos de mantenimiento. Los disparos de la unidad también producirán horas dinámicas; sin embargo, estas horas dinámicas no son consideradas para la estimación de los costos de mantenimiento, de acuerdo con lo expuesto en el Informe OSINERG-GART/DGT N° 038-2004.
El COES–SINAC plantea emplear, como horas dinámicas, el 19,2% de las horas de operación, basado en los parámetros de operación presentados para la Central La Costanera de Argentina. Al respecto, debe tenerse en cuenta lo siguiente:
· La C.T. La Costanera presenta un número de disparos, los que a su vez se registran como horas dinámicas. Estas horas dinámicas no deben ser contabilizadas para propósitos de estimación de costos de inspecciones de las turbinas a gas. La información suministrada no diferencia las horas dinámicas debidas a variaciones de carga y rechazos de carga de los disparos producidos, por lo que no es posible realizar una estimación basándose en la estadística presentada.
· El valor de 19,2% propuesto por el COES-SINAC carece del debido sustento para ser empleado como referencia válida en nuestro sistema. Además, teniendo en cuenta que las horas dinámicas producidas por los disparos no deben ser consideradas, el porcentaje resultante de horas dinámicas a horas de operación se vería reducido.
Tomando en consideración lo expuesto, el valor de las horas dinámicas a considerar debe basarse en la experiencia real de operación de las unidades empleando gas natural y con el suficiente detalle de información como para diferenciar las horas dinámicas debidas a variaciones de carga y rechazos de carga de los disparos producidos; en tanto dicha información no exista, se debe emplear el porcentaje propuesto por el OSINERG en la regulación de mayo de 2004, el mismo que corresponde a un promedio en toda la vida de la unidad.
Observación 14.5: El OSINERG manifiesta que el COES-SINAC insiste en incluir el factor de planta en el cálculo del CVNC sin aportar sustento adicional alguno; con relación a este tema, se le señala que el mismo ha sido resuelto mediante la Resolución OSINERG N° 122-2004-OS/CD, determinándose que no corresponde su inclusión por cuanto ya está considerado en el análisis realizado.
En su absolución, el COES-SINAC menciona lo siguiente:
“Como bien se sabe y conforme lo expresa OSlNERG en el informe, el costo variable de operación de las unidades térmicas poseen 2 componentes el costo variable combustible (en adelante CVC) y el costo variable no combustible (en adelante CVNC). En tal sentido, que el CVC se calcule considerando la eficiencia de la unidad a potencia efectiva, no exime el efecto que concretamente se produce en la calidad de vida de la unidad y por ende en el costo de mantenimiento de la misma cuando esta opera con un factor de planta diferente a la unidad, que es lo real.
No se
trata de que el cálculo del CVC y CVNC concuerden en los mimos criterios, sino
que cada uno independientemente refleje una mejor aproximación a lo que en la
realidad se presenta.
El
costo de mantenimiento tal como se está planteando en el modelo implica dividir
los costos incurridos en determinados períodos entre una energía estimada en
el mismo periodo. Se estiman las HEO
-LAS CUALES NO ESTÁN DlSCRlMlNANDO SI LA UNlDAD OPERÓ A UNA CARGA DETERMINADA-
; en el cálculo se asumía originalmente la operación a plena carga, lo cual es
una hipótesis errada debido a que en la operación real la unidad opera en
cargas medias menores a su carga plena. Sin embargo a nivel de horas de
operación equivalentes no es posible hacer una reducción, debido a que una HEO
será siempre considerada como tal en cualquier carga a la que se encuentre
operando la unidad.
Por lo tanto, la división de los costos totales entre una energía mayor determinaba un CVNC menor que el real, el cual se obtendría dividiendo por una energía menor (la real). Entendemos que esta es una interpretación del modelo de cálculo del CVNC más adaptado a la realidad en la cual, teniendo en cuenta que por Ley al generador se le deben reconocer sus costos reales de operación. En todo caso si en opinión de OSlNERG el porcentaje propuesto no refleja el régimen de operación del sistema, debería entonces considerar consistentemente un valor representativo adecuado para el sistema, y no simplemente desvirtuarlo. El objetivo debe ser que los costos incurridos por el generador sean recuperados.
Adicional a todo lo manifestado a este respecto. Inclusive OSlNERG durante el Proceso de Regulación de Tarifas en Barra Noviembre 2001-abril 2002 en su informe GART/GT N° 061-2001 en el ítem 3.2.3 reconoce a la potencia media (representación del régimen de operación de la unidad) como elemento para la conformación de la función de costo total a partir del cual se deriva el CVNC…”
Con relación a la absolución del COES-SINAC sobre el tema, se precisa lo siguiente:
El OSINERG ha señalado oportunamente, en el Informe OSINERG-GART/DGT N° 038-2004, que el cálculo del CVNC debe ser coherente con el cálculo del CVC, dado que ambos componen el Costo Variable Total que se utiliza para efectos de la fijación de Tarifas en Barra. En este sentido, el CVC se calcula considerando la eficiencia correspondiente a la potencia efectiva de la unidad y, por tanto, por coherencia, el CVNC debe corresponder a la misma condición de potencia.
En la Figura N° 01 se muestra la variación típica del consumo de combustible en función de la potencia desarrollada por la unidad y también una posible función de CVNC de una unidad en función de la potencia desarrollada.

En dicho gráfico se observa que el COES–SINAC presenta como valores de potencia y consumo de combustible los correspondientes a la potencia efectiva y como valor de CVNC el correspondiente a una capacidad inferior. Es obvio que al determinar los costos totales variables de la unidad no resulta posible sumar los costos propuestos por el COES–SINAC por corresponder a condiciones de operación diferentes.
Con relación al documento a que hace referencia el COES–SINAC, en el sentido de que el propio OSINERG reconoce a la potencia media como elemento para la conformación de la función de costo total a partir del cuál se deriva el CVNC, se debe señalar que:
· Para evaluar el costo se toma en cuenta cada régimen de operación (potencia media, arranques y paradas anuales y horas medias de operación entre arranques); a partir de esta función se deriva el CVNC como la relación del incremento en la función de costo ante un incremento de la energía producida por la unidad.
· En dicho documento, el OSINERG menciona además que el procedimiento anterior proporciona tanto el CVNC de las unidades termoeléctricas, como los Costos Fijos No Combustible (CFNC) asociados a cada unidad termoeléctrica, para un régimen de operación dado (número de arranques por año, horas de operación promedio por arranque y tipo de combustible utilizado). Es decir, la función de costos totales que incluye potencia media, arranques y paradas anuales y horas medias de operación entre arranques da origen a un conjunto de pares ordenados CVNCi para cada potencia media que en realidad es la curva CVNC Vs. Potencia Media mostrada en la figura N° 01.
· La interpretación que quiere dar el COES-SINAC con relación a que el OSINERG reconoce a la potencia media como elemento para la conformación de la función de costo total queda desvirtuada además por el hecho práctico y real de que los CVNC reconocidos por el OSINERG a todas las unidades termoeléctricas que operan actualmente en el sistema se basan en un cálculo en el cual se han determinado los valores de los CVNC que corresponden a la potencia efectiva de cada unidad y no a su potencia media.
En conclusión, el COES–SINAC propone como CVNC un valor correspondiente equivalente al 75% de la potencia la efectiva, valor que no podría ser aplicado para propósitos de estimación de los costos variables totales al corresponder a una condición de operación diferente a la cual se ha estimado el costo variable de combustible. Por lo tanto, el cálculo del CVNC de la unidad no debe tomar en cuenta el factor de planta solicitado por el COES–SINAC, habiéndose excluido del cálculo correspondiente.
Al respecto, se debe indicar que, en el caso de incluir el factor de planta en la operación de las unidades termoeléctricas se estaría trabajando bajo un criterio de costos medios, por lo que se tendría que tratar estos costos fuera de un sistema marginalista, es decir, el CVNC dejaría de estar considerado en el cálculo del costo variable total que es utilizado para determinar el costo marginal del sistema y, en consecuencia, sería reconocido por fuera como un “uplift” (cargo adicional) que sería pagado por los consumidores en función de los costos que representa la operación real de las unidades termoeléctricas en el sistema, tal como se hace en otros marcos regulatorios, y no a través de un costo marginal.
En este sentido, el OSINERG realizará los estudios necesarios para revisar los criterios utilizados en la determinación del CVNC dentro del sistema marginalista definido en el marco regulatorio actual y analizar la posibilidad de su exclusión del cálculo del costo variable total para reconocerlo como un costo medio en calidad de uplift.
Observación 14.6: El OSINERG solicita se recalcule el valor del CVNC aplicable a la unidad TG-3 bajo operación de ciclo combinado, considerando los cambios que se generen con motivo de lo señalado en las observaciones precedentes.
Al respecto, el OSINERG señala que se debe proceder a realizar la estimación del CVNC de la unidad TG3 operando en ciclo combinado luego de las correcciones necesarias al cálculo del CVNC de la unidad operando como ciclo abierto.
Estimación de los CVNC de las unidades de la C.T. Ventanilla a ser
empleados en la regulación tarifaria de noviembre de 2004
De la revisión realizada al cálculo del CVNC de las unidades de la C.T. Ventanilla, y considerando las correcciones indicadas en los numerales precedentes en lo que respecta a las horas dinámicas y el factor de planta, se obtienen los valores de CVNC mostrados en los Cuadros N° 01 y 02 para operación en ciclo abierto con gas natural y en el Cuadro N° 03 el CVNC de la unidad N° 3 operando en ciclo combinado.



C.1 CVNC C.T. Ilo 1
Observación 15.1: El OSINERG, como parte de las observaciones formuladas al ESTUDIO presentado por el COES-SINAC, solicitó se corrijan los valores de las potencias empleadas en el cálculo de los CVNCs por los de potencia efectiva de cada unidad. Asimismo, el OSINERG señaló que este menor valor de la capacidad de la unidad origina una reducción de la energía y por consiguiente, un incremento injustificado de los CVNCs; se agrega que existe una incoherencia en el ESTUDIO para el caso de esta central, por cuanto mientras que para el despacho en el modelo PERSEO se consideran valores de potencia efectiva y rendimientos a capacidad efectiva; los CVNC que se utilizan han sido calculados para otras condiciones de operación.
El COES-SINAC manifiesta, en su absolución, que en el desarrollo del Estudio presentado por ENERSUR "Determinación del Costo Variable No Combustible de las Unidades de Vapor de la Central Térmica IL01", se ha utilizado la potencia media y que el sustento de la consideración de la potencia media se encuentra en el lnforme de Levantamiento de Observaciones efectuado por el COES-SINAC al Estudio presentado por ENERSUR previo a la aprobación de los CVNC por parte de la DOCOES. Asimismo, adjunta copia del lnforme de Levantamiento de Observaciones al Estudio de Determinación del CVNC de las Unidades Turbovapor de la C.T. IL01 - lnforme OSINERG- GART/DGT N° 064-2004 que, según el COES-SINAC, explica y absuelve las observaciones del OSINERG.
Con relación a este punto, el OSINERG señala que, al tratarse de un tema similar al de la Observación 14.5 realizada al CVNC de las unidades de la C.T. Ventanilla, los argumentos, análisis y conclusiones del OSINERG sobre este punto son válidos también para este caso en sus aspectos generales, concluyéndose que los valores de CVNC propuestos por el COES-SINAC no corresponden a la condición de operación de potencia efectiva, no siendo posible su utilización para la estimación de los costos marginales al no corresponder a la condición de operación a la cual se determinan los costos variables de combustible.
Cabe reiterar, como en el análisis de la Observación 14.5, que el OSINERG estaría realizando los estudios necesarios para revisar los criterios utilizados en la determinación del CVNC dentro del sistema marginalista definido en el marco regulatorio actual y analizar la posibilidad de su exclusión del cálculo del costo variable total para reconocerlo como un costo medio en calidad de uplift.
En consecuencia, se debe realizar la corrección de los CVNC de las unidades de Ilo 1 considerando el valor correspondiente a la capacidad efectiva de la unidad.
Observación 15.2: El OSINERG, en las observaciones formuladas al ESTUDIO del COES-SINAC, señaló que se debe utilizar como CVNC la pendiente que resulta de una regresión lineal de la curva de costos totales Vs. energía generada de la C.T. Ilo1, tal como se hace en el caso de la C.T. Ventanilla y en la determinación del costo fijo no combustible de la unidad de punta.
Al respecto, el COES-SINAC señala que “Con relación al modelo de ajuste, es claro que matemáticamente al utilizar la regresión polinomial se obtendrá un mejor ajuste que al utilizar la regresión lineal. Todos los modelos matemáticos tratan de representar la realidad y en este caso es la regresión polinomial la que mejor representa la realidad operativa de ILO1”. Se adjunta copia del lnforme de Levantamiento de Observaciones al Estudio de Determinación del CVNC de las Unidades Turbovapor de la C.T. IL01 - lnforme OSINERG- GART/DGT N° 064-2004 que, según el COES-SINAC, explica y absuelve las observaciones del OSINERG.
Sobre el particular, se debe precisar que el OSINERG no discrepa con la opinión vertida en el folio 248 de la ABSOLUCIÓN en el sentido de que matemáticamente una aproximación polinómica se ajusta mejor que una aproximación lineal y esta mejor aproximación se refleja en el coeficiente de correlación de la regresión efectuada. También coincidimos que, con relación a los análisis efectuados, ambas regresiones presentan un coeficiente de correlación aceptable, siendo superior el correspondiente a la polinomial.
No obstante, la estabilidad de los resultados se afecta en una aproximación polinomial. En efecto, como puede desprenderse del análisis que se presenta más adelante, el CVNC resultante de dicha aproximación resulta ser demasiado volátil pudiendo variar en el rango de 1,1 a 4,6 US$/MWh. Situación que no se refleja en aproximación lineal. Así, por ejemplo, considerando el ajuste polinómico de tercer orden que se muestra en la figura siguiente:

La derivada de la función polinomial sería la pendiente de la función o el CVNC para cada punto de operación. Al ser una función derivada de una de tercer orden, el resultado es una función cuadrática, mostrada en el cuadro denominado GRAFICO 6-3 (TV2). COSTO VARIABLE NO COMBUSTIBLE TURBINA A VAPOR BBC2 C.T. ILO 1 presentado en el ESTUDIO.

Se observa en la figura anterior que el CVNC sería muy sensible al régimen de operación de la unidad, variando desde un valor máximo de 4,6 US$/MWh a 1,1 US$/MWh.
Si se observa el valor del CVNC cuando la energía generada es baja, éste resulta también bajo con una tendencia decreciente que podría llegar a resultar negativa, solución que matemáticamente es correcta desde el punto de vista de la función, pero que no tendría sentido desde el punto de vista del análisis de costos que se está realizando.
Como se aprecia, la aproximación o regresión lineal permite contar con un valor constante para todo el rango de operación de la unidad, con un coeficiente de correlación bastante elevado (0,96), que nos indica un alto grado de aproximación a la función de costos determinada.
Por lo expuesto, se considera que el CVNC debe ser determinado a partir de una regresión lineal, coincidente con la metodología empleada para el cálculo de los CVNC de ETEVENSA y el análisis de CFNC de la unidad de punta.
Estimación de los CVNC de las unidades de la C.T. Ilo 1 a ser
empleados en la regulación tarifaria de noviembre de 2004
Realizadas las modificaciones de la potencia media por la potencia efectiva de las unidades y adoptando el método de regresión lineal para la estimación del CVNC de las unidades, se obtienen los valores a ser empleados en la presente regulación tarifaria. Los resultados se indican a continuación:
CVNC unidad BBC 2 1,934 US$/MWh

CVNC unidad GENERAL ELECTRIC 3 1,325 US$/MWh

CVNC unidad GENERAL ELECTRIC 4 1,231 US$/MWh

Anexo D
Plan
de Obras de Generación
A partir de la presente fijación tarifaria, se aplica la modificación del Artículo 123° del Reglamento, dispuesto mediante el Decreto Supremo N° 010-2004-EM, el cual señala que “Se consideran factibles de entrar en operación en el período a que se refiere el inciso a) del Artículo 47° de la Ley, aquellos proyectos de generación y transmisión cuyos títulos no se encuentren en causal de caducidad o cancelación según corresponda y que cumplan con los requisitos y condiciones que se aprueben por resolución ministerial”.
Al respecto, el COES-SINAC ha señalado que, en la elaboración de su informe se tomó en consideración la prepublicación del Ministerio de Energía y Minas de los requisitos y consideraciones para el ingreso de nuevos proyectos de generación a que hace mención Decreto Supremo N° 010-2004-EM, por lo que manifiesta que en el caso de proyectos de centrales térmicas se requeriría de la Autorización correspondiente para ser tomados en cuenta, agregando que a la fecha se desconoce de alguna Autorización y/o la existencia de alguna solicitud en trámite.
Considerando lo expresado por el COES-SINAC, el OSINERG solicitó una opinión legal al respecto; en este sentido, mediante el Informe Legal OSINERG-GART-AL-2004-124, el mismo que forma parte de la relación de información que sustenta la resolución de fijación de las tarifas en barra, se concluyó “que no es posible que un proyecto que no haya sido concedido, para el caso de centrales hidroeléctricas, o autorizado en el caso de centrales termoeléctricas, pueda formar parte del programa de obras que se considera en la fijación de tarifas eléctricas”.
En este sentido, tomando en consideración lo establecido en el Decreto Supremo, no ha sido posible evaluar como parte del programa de obras la ampliación de la central Machupicchu, la reconversión de la unidad Westinghouse de EDEGEL o la unidad de ciclo combinado prevista en el Plan Referencial y en el Plan de Expansión del Sistema de Transmisión de REP.
El OSINERG reitera su posición de que el plan de obras debe contemplar un programa eficiente de centrales para entrar en servicio en el periodo de estudio, en el cual se debe tomar en cuenta especialmente la disponibilidad de centrales basadas en gas natural del proyecto Camisea.
De acuerdo con la teoría económica, la idea subyacente es que cada usuario debería pagar una tarifa que represente los costos marginales en que hace incurrir al sistema por el uso que hace de él. Para estimar dicho costo se utiliza el costo marginal de largo plazo por los siguientes motivos: disponer de una señal económica estable que enviar a los consumidores y el hecho de que los consumidores deberían pagar los costos de un sistema económicamente adaptado ya que ellos no diseñan el sistema. Esto necesariamente implica determinar un plan de obras factible que a su vez esté perfectamente adaptado a la demanda, es decir, que si la demanda crece debe existir la oferta necesaria y eficiente para cubrir dicho incremento, lo cual no es posible realizar debido a las modificaciones introducidas en el Reglamento por el referido Decreto Supremo.
Anexo E
Programa
de Mantenimiento de las Centrales del SEIN
E.1 Problemática de la
Programación de los Mantenimientos que efectúa el COES-SINAC
El OSINERG viene efectuando mensualmente la evaluación de la duración y número de ocurrencias de las actividades de mantenimiento de las actividades de generación y transmisión; esta evaluación comprende, o ha considerado, aquellos trabajos cuya realización implica la indisponibilidad del equipo.
Se determina el cumplimiento de los programas de mantenimiento, el cual indica principalmente, qué porcentaje de la duración de las actividades de mantenimiento, consideradas en el programa, son ejecutadas, así como qué porcentaje del número de actividades ejecutadas corresponden a las contempladas en los programas de mantenimiento correspondientes.
Para observar la evolución del grado de cumplimiento de los programas de mantenimiento mensual, se viene considerando inicialmente los indicadores “Cumplimiento del Programa Mensual” e “Intervenciones Ejecutadas Programadas”.
· Cumplimiento Programa Mensual: Con este indicador de cumplimiento se tratará de verificar el porcentaje de todas las actividades ejecutadas con relación al programa de mantenimiento mensual inicial aprobado. Esto pondrá en evidencia el volumen de actividades programadas con horizonte mensual, que no se ejecutan de acuerdo a lo previsto.
· Intervenciones Ejecutadas Programadas: Este indicador muestra qué porcentaje de todas las actividades ejecutadas han sido programadas a partir del Programa Mensual de Mantenimiento.
Se observa en el cuadro siguiente la evolución de los referidos indicadores, en la actividad de generación, a partir de mayo de 2003.

Los gráficos siguientes muestran las tendencias respecto al grado de cumplimiento de los programas mensuales de mantenimiento aprobados por el COES-SINAC; se observa una disminución paulatina de los indicadores antes referidos a partir de febrero del presente año; los mismos habían mejorado sustancialmente de agosto 2003 a febrero 2004.


La evolución del grado de cumplimiento del programa de mantenimiento muestra una tendencia desfavorable, se aprecia que gran parte de las intervenciones efectuadas no son programadas y aún cuando se hayan presentado situaciones no previsibles (fallas), en promedio, el 64% de las intervenciones efectuadas en el periodo enero 2004-agosto 2004 no fueron programadas.
Por lo tanto, cabe reiterar que el COES-SINAC, vistos los grados de cumplimiento referidos, continúa teniendo dificultad en programar adecuadamente las actividades de mantenimiento de mediano plazo, y por lo tanto, es de suponer que el programa de mantenimiento de largo plazo podría no ser el óptimo y no conducir a una operación de mínimo costo.
E.2 Programa de
Mantenimiento Mayor de las Centrales Hidroeléctricas
Con relación a la ABSOLUCIÓN presentada por el COES-SINAC, el OSINERG indica lo siguiente:
C.H.
Huinco
Con relación a la afirmación que se hiciera en el informe de observaciones:
“La duración de 720 horas prevista en las intervenciones programadas en los grupos de la C.H. Huinco para la actividad propuesta “cambio de regulador de velocidad” parece excesivo; se puede citar por ejemplo que ELECTROPERU empleó 672 horas para efectuar esta actividad más trabajos de modernización (mantenimiento mayor: cambio de regulador de velocidad y relés digitales, inspección estator, núcleo magnético y cambio de rodete pelton, instalación nuevo SCADA, EMS) en el G4 de la central Mantaro en el año 2004”.
Efectivamente, ha existido una equivocación en la invocación de la fecha, pero la duración de 672 horas corresponde a la actividad referida, la cual consta en el SICOES WEB, el cual registra la actividad MANTENIMIENTO MAYOR. INST NUEVO SCADA, EMS. CAMBIO REGULADOR DE VELOCIDAD Y RELES DIGITALES. INSP ESTATOR, NUCLEO MAGNETICO Y ROTOR.CAMBIO DE RODETE PELTON, desde el 04 de mayo hasta el 01 de junio de 2002, totalizando las 672 horas referidas.
Finalmente, con relación a las
actividades de cambio de regulador en los grupos de la C.H. Huinco, éstas han
sido retiradas del programa por el COES-SINAC en atención a las
observaciones de OSINERG.
C.H.
Mantaro y C.H. Restitución
Con relación a la afirmación que se hiciera en el informe de observaciones:
“Por otro lado, se ha verificado de intervenciones anteriores a los grupos de la C.H. Mantaro, que las actividades de “Cambio de componentes del cojinete de empuje” y la “Limpieza, inspección y control estator, núcleo magnético y rotor” han tenido una duración de 24 horas y 48 horas respectivamente. Si se consideran las dos actividades estas sumarían 72 horas. Luego las 216 horas solicitadas por el COES-SINAC para las unidades de la C.H. Mantaro deben sustentarse adecuadamente”.
La primera referencia aludida corresponde al G1 de la C.H. Mantaro y no al G7. En esta oportunidad ha sido aceptada la propuesta del COES-SINAC, lo cual implica que en futuras evaluaciones se recurrirá a estadística ejecutada.
Por otro lado, las actividades “Cambio
componentes cojinete de empuje” y “Limpieza, inspección y control estator,
núcleo magnético y rotor”, conforme a lo mencionado por el COES-SINAC en su
informe de absoluciones y a registros históricos, pueden durar 6 y 2 días,
respectivamente. Por lo tanto, en el año 2006 se han considerado 8 días para estas
actividades, con lo
que se acepta el sustento alcanzado por el COES-SINAC.
C.
H. Callahuanca
Para el caso, de las actividades propuestas como “mantenimiento mayor anual”, el OSINERG, luego de revisar la información suministrada, ha considerado que las mismas pueden efectuarse de manera paralela a las actividades de repotenciación de cada unidad, con lo que se acepta el sustento alcanzado por el COES-SINAC.
C.
H. Huampaní
Respecto a las actividades consideradas para esta central, en esta oportunidad ha sido aceptada la propuesta del COES-SINAC, lo cual implica que en futuras evaluaciones se recurrirá a estadística ejecutada.
C.
H. Yanango
Con relación al periodo de indisponibilidad para la actividad “cambio de turbina”, el OSINERG ha considerado el dato ejecutado del 18 de abril de 2001, el que corresponde a 8,5 días, y que involucra “la limpieza de la toma Tarma” y “el cambio de turbina y válvula principal – mantenimiento preventivo”, para efectuarse de manera paralela.
Adicionalmente, según el programa diario del 19 de febrero de 2004, la actividad “pulido de álabes de rodete” dura 17 horas, y se ha considerado para efectos de la simulación 24 horas.
Por lo expuesto, no es suficiente el sustento alcanzado por el COES-SINAC efectuándose, en consecuencia, las correcciones pertinentes al programa.
C.
H. Chimay
El desarrollo de las actividades para la C.H. Chimay en el año 2007 se ha considerado de manera paralela; por lo tanto, la “reparación de turbina” y “la limpieza de la toma Tulumayo” deben efectuarse en 10 días y no en el tiempo propuesto por el COES-SINAC.
C. H. Huanchor
El OSINERG, luego de la revisión de la información recibida, considera razonable las actividades propuestas para las unidades de generación de esta central.
C.
H. Carhuaquero
Con relación a la actividad “limpieza de embalse”, en esta oportunidad se considera que esta actividad puede realizarse en un lapso de 4 días, y la periodicidad no debe ser anual. Las estadísticas, que consideran también condiciones hidrológicas favorables, muestran que esta actividad no ha sido efectuada con periodicidad anual; ésta se ha ejecutado el 2001 y de acuerdo al plan propuesto su próxima ejecución se prevé el 2006. El OSINERG, sobre la base de lo analizado, ha corregido la propuesta del COES-SINAC y considerado una periodicidad de 3 años.
C.
H. Cañón del Pato
Con relación a la actividad “Parada planta reparación blindaje bocatoma antigua-reparación del túnel (tramo bocatoma-desarenador)”, el OSINERG coincide con la duración de 10 días propuesta por el COES-SINAC, pero ha corregido la periodicidad de la actividad a 3 años, toda vez que ésta tampoco ha sido efectuada en los últimos tres años.
C.
H. Yaupi
Para la actividad “Mantenimiento Mayor” propuesta por el COES-SINAC, para todas las unidades de la C.H. Yaupi, el OSINERG, frente a la variedad de periodos históricamente registrados, ha considerado el promedio de duración de los registros correspondientes a la actividad referida a los grupos G1, G2 y G4 presentados por el COES-SINAC en su absolución. En consecuencia, el OSINERG ha efectuado las modificaciones correspondientes para considerar una duración de 98 horas.
CC.HH.
Oroya y Pachachaca
El COES-SINAC ha presentado, para ambas centrales, lo solicitado en el documento de observaciones. Por lo tanto, en esta oportunidad ha sido aceptada la propuesta del COES-SINAC, lo cual implica que en futuras evaluaciones se recurrirá a estadística ejecutada.
CC.HH.
Cahua y Gallito Ciego
El OSINERG, luego de la revisión de la información presentada por el COES-SINAC en su absolución, considera razonable las actividades propuestas para las unidades de generación de estas centrales.
C.H.
San Gabán
Para las actividades “Mantenimiento de Turbina, Reguladores, Válvula de admisión, Transformador, Generador, apriete tirantes bobinado, equipos auxiliares eléctricos y equipos auxiliares mecánicos”, el OSINERG ha considerado el mismo periodo de duración propuesto por el COES-SINAC para las actividades en el año 2006, es decir, 96 horas, con lo cual se corrige el cronograma propuesto por el COES-SINAC para el resto del período.
C.H.
Aricota
Como resultado de la revisión y evaluación de la información recibida, el OSINERG ha considerado que sólo una vez se cambiarán ruedas Pelton y que ello podría ejecutarse el año 2005. Es decir, no se ha aceptado la propuesta del COES-SINAC de sumar la actividad referida en el año 2007.
E.2 Programa de
Mantenimiento Mayor de las Centrales Termoeléctricas
El OSINERG coincide con el COES-SINAC en el sentido de que la programación del mantenimiento mayor de las centrales térmicas, para el mediano y largo plazo, obedece a una metodología de estandarización de los flujos de información por tipo de tecnología, en alusión a la cantidad de Horas Equivalentes de Operación (HEO) que deben considerarse.
En este mismo sentido, el OSINERG con relación a la duración de la actividad “Inspección Tipo C”, considera apropiado estandarizar el periodo de indisponibilidad bajo el criterio de eficiencia y, por lo tanto, considerará para la unidad TG4 de la central térmica Malacas una duración de indisponibilidad de 35 días.
Por otro lado, es importante señalar, que el mantenimiento mayor de las unidades se define en función de las HEO (por lo tanto es dependiente de la producción); por consiguiente, establecer un programa de mantenimiento mayor de unidades térmicas, en el proceso de simulación de la operación, dependerá de la hidrología a confrontar en cada secuencia hidrológica, es decir, en condiciones de hidrologías escasas la generación térmica se incrementará con lo cual también aumentarán las HEO y, en caso contrario, en hidrologías abundantes donde la generación térmica disminuye las HEO también disminuirán.
E.3 Programa de
Mantenimiento Menor
Sobre el particular, cabe señalar que el mantenimiento menor en el caso de centrales hidráulicas con embalse, no limita su generación cuando el caudal utilizable es inferior al máximo turbinable por la central. Un mantenimiento de unas pocas horas al día en un grupo generador, no disminuirá la producción de energía diaria de la central, ya que el embalse le permite postergar el menor requerimiento de agua en la horas en que un grupo se encuentre en mantenimiento (indisponible), para luego disponer de esta agua en las horas que la central se encuentre disponible con la totalidad de sus unidades de generación.
Cabe reiterar, que el COES-SINAC a pesar de su experiencia, en los procesos de fijación tarifaria, continúa negando criterios técnicos y confundiendo las prácticas de optimización que se deben aplicar para los periodos de largo y corto plazo; es conocido, por ejemplo, que el detalle horario de los valores de caudales no puede ser reflejado en un modelo de mediano plazo como es el caso del modelo utilizado para las fijaciones tarifarias, por la misma lógica, detalles de mantenimientos que se van a ejecutar en jornadas menores a 24 horas, corresponden al ámbito de los periodos de corto plazo, para lo cual están definidos criterios adicionales para su tratamiento.
Asimismo, vistas las prácticas operativas, las actividades de mantenimientos menores corresponden a intervenciones que pueden ser, en su mayor parte, diferidas o reajustadas en el corto plazo, por efecto de la operación del sistema, de la disponibilidad horaria del agua, de pruebas de otras unidades, entre otros aspectos, por lo cual, considerar su inclusión en el mantenimiento de largo plazo no corresponde a la realidad; lo referido no debería ocurrir con los mantenimientos mayores, que por su duración tienen consecuencias en la operación óptima del sistema, así como en la logística que los titulares disponen para contar, entre otros, con los repuestos y mano de obra calificada (o especializada) oportunamente.
Por otro lado, el OSINERG considera que, de acuerdo al literal b) del Artículo 41° de la LCE[26], el COES-SINAC tiene como función expresa controlar el cumplimiento de los programas de operación y coordinar el mantenimiento mayor de las instalaciones. Asimismo, el literal c) del Artículo 91° del Reglamento de la LCE[27] señala que el COES-SINAC también tiene como función elaborar la programación de corto plazo, situación que si considera la inclusión de mantenimientos menores.
Adicionalmente, el OSINERG debe manifestar que siendo ya difícil prever los trabajos por mantenimiento mayor, y que a la vez es más probable conocer los trabajos por mantenimiento del año 2004 (en curso) que los de los años 2005 al 2008, la propuesta de considerar mantenimientos menores es subjetiva, arbitraria y sujeta a discrecionalidad, dada la gran cantidad de trabajos de carácter menor en el horizonte 2005-2008. Esta situación en principio se observa en el caso propuesto por el COES-SINAC para la empresa ELECTROPERU, dado que no se ha propuesto ningún mantenimiento menor en el periodo anteriormente referido.
El OSINERG debe recordar que es obligación del COES-SINAC sustentar debidamente su propuesta tarifaria, tal como lo indica el Artículo 51° de la LCE. La pretensión de incluir los mantenimientos menores debe realizarse considerando el claro mandato legal del Artículo 42° de la LCE, que señala que las tarifas deben basarse en los costos marginales de suministro.
El OSINERG, en reiteradas oportunidades ha concluido que ni en el Artículo 41° de la LCE, ni en el literal c) del Artículo 91° del Reglamento de la LCE se señala de manera expresa la inclusión de mantenimientos menores en la fijación de Tarifas en Barra; en consecuencia, no existe justificación para que el COES-SINAC incluya los mantenimientos menores en el cálculo de las Tarifas en Barra.
Finalmente, se debe mencionar que este tema ha sido resuelto mediante la Resolución OSINERG No. 002-2004-OS/CD.
Anexo F
Volumen Final del Lago Junín y Operación del Complejo Mantaro
F.1 Volumen
Final del Lago Junín
El COES-SINAC ha manifestado que de acuerdo a la documentación que adjuntan se cuenta con dos criterios para el manejo del volumen final de un embalse de regulación, siendo estos el criterio volumen de que el volumen final debe ser igual al inicial o que deba ser mayor que el inicial. Señala que conservadoramente ha optado por el primer criterio.
Al
respecto se debe manifestar que se ha revisado la documentación presentada,
debiéndose señalar que en principio ésta no está referida a la optimización de
la operación de sistemas eléctricos de potencia, sino al diseño de embalses. De
otro lado debe aclararse que, como es de conocimiento de la comunidad técnica
de sistemas de potencia, en el caso de la operación de los embalses que
alimentan centrales hidroeléctricas las decisiones de almacenamiento se
realizan en función del costo de oportunidad del agua almacenada en el embalse,
la cual se determina a través de modelos de simulación de mediano y largo
plazo. Al respecto, un supuesto que resulta razonable (y que es ampliamente
utilizado), es aquél que indica que el costo de oportunidad actualizado del
agua en un momento del tiempo lejano al actual es muy próximo a cero (como
consecuencia del factor de actualización). En este sentido, se puede asumir que
al final de un periodo largo de evaluación el costo de oportunidad del agua, para
una decisión de operación actual, es nulo (de hecho entendemos que el
COES-SINAC considera este criterio al realizar la programación de mediano plazo
con los modelos Junred/Juntar/Junano, por lo cual resulta inconsistente que no
lo aplique en el cálculo de las Tarifas en Barra). Por tanto, al considerarse
que el costo de oportunidad es nulo, lo más conveniente es que al final del
periodo de evaluación el embalse almacene su mínimo de operación requerido (de
hecho este criterio se utiliza en los modelos antes mencionados).
Por
tanto, no se encuentra satisfactoria la absolución del COES-SINAC, habiéndose
procedido a fijar el volumen del lago Junín igual a 60 MMC, conforme a lo
expresado en las observaciones al ESTUDIO.
F.2 Operación
del Complejo Mantaro
ANTECEDENTES
El 05 de mayo de 1999 se
efectuó el primer ensayo para la determinación de la potencia efectiva de las
centrales del Complejo Mantaro (C.H. Santiago Antúnez de Mayolo y C.H.
Restitución), en aplicación del Procedimiento N° 34 del COES-SICN. El ensayo
fue realizado por el Consorcio CENERGIA-HYDRO QUEBEC, el cual dio como
resultado los valores que se muestran en el siguiente cuadro:
Cuadro
N° 01
|
Central |
Potencia
Efectiva (kW) |
|
Mantaro |
631788,84 |
|
Restitución |
209735,17 |
En el año 2003 se efectuó
a la C.H. Mantaro un cambio de rodetes a seis (6) de sus unidades,
incrementando la potencia generada por éstas, debido a las modificaciones
tecnológicas realizadas. El OSINERG efectuó la evaluación estadística de la
producción del Complejo Mantaro, llegando a la conclusión de que la C.H.
Mantaro había incrementado su potencia efectiva.
Razón por la cual,
mediante el Oficio N° 2293-2004-OSINERG-GFE del 10 de mayo de 2004, se solicitó
al COES-SINAC la justificación por la cual no se había ejecutado el ensayo de
Potencia Efectiva de la C.H. Mantaro programado para el mes de abril de 2004,
ensayo que debería efectuarse a la referida central como consecuencia del
repotenciamiento efectuado a seis de sus siete rodetes, y en cumplimiento de lo
dispuesto por el PR-N° 18 del COES-SINAC. Posteriormente, el COES-SINAC informó
que el ensayo a efectuarse se realizaría en junio de 2004.
El ensayo fue realizado
por CENERGIA el 22 de junio del 2004 y dio como resultado los valores que se
muestran en el Cuadro N° 02.
Cuadro
N° 02
|
Central |
Potencia Efectiva (MW) |
|
Mantaro |
632,77 |
|
Restitución |
209,38 |
Del resultado del último
ensayo se observa que la potencia efectiva de la C.H. Mantaro se incrementó en 0,98
MW, valor muy inferior al que el OSINERG ha estimado como probable potencia
efectiva de esta central.
evaluación de la potencia efectiva de la c.h. mantaro
El ensayo de potencia efectiva de la central
Mantaro fue realizado el 22 de junio de 2004; los valores alcanzados, según
consta en el Informe de Ejecución de la Operación Diaria (IEOD), que fuera
emitido por el COES-SINAC correspondiente al referido día, se aproximan a los
631 MW, valor inferior en 10 MW aproximadamente del estimado por el OSINERG.
Conforme al procedimiento PR-N° 18 del
COES-SINAC, el informe final fue presentado oficialmente al COES-SINAC, por la
empresa generadora. El OSINERG solicitó al COES-SINAC mediante el Oficio N°
3739-2004-OSINERG/GFE del 09 de agosto de 2004 el referido informe, siendo
remitido el 17 de agosto mediante documento COES-SINAC/D-808-2004. En dicho
documento, el COES-SINAC indicó además, que se encontraba evaluando el informe
y cálculos alcanzados por ELECTROPERU.
Finalmente, el COES-SINAC, mediante la
comunicación COES-SINAC/D-849-2004 del 26 de agosto de 2004, señala: “Se ha verificado que el ensayo de medición
de potencia efectiva se ha efectuado en condiciones hidrológicas muy diferentes
al ensayo anterior de mayo del año 1999. En efecto, en el informe correspondiente
a este ensayo se menciona que el caudal turbinado fue de 99.26 m3/s mientras
que en el ensayo realizado el día 22.06.2004 (aunque en el informe del
Consultor no se precisa el caudal turbinado), se ha verificado del Informe de
Evaluación de la Operación (IEOD) del día 22.06.2004 que el caudal registrado
en la estación La Mejorada fue de 94.9 m3/s, el mismo que corresponde
aproximadamente al caudal que ingresó durante el ensayo al Complejo Mantaro”.
REVISION
DEL INFORME
Adicionalmente, se ha revisado
el Informe preparado por CENERGIA; al respecto se encuentran diferencias
importantes en relación al informe correspondiente al año 1999, siendo las más
resaltantes las siguientes:
·
En esta oportunidad no se
comprobado el caudal turbinado, como sí lo fue en la anterior ocasión.
·
Las alturas netas
obtenidas utilizando la fórmula del numeral 7.3 del Informe no coinciden con
las mostradas en el Cuadro N° 5 del Informe.
·
Las pérdidas de carga en
el presente informe son mayores a las consignadas en el primer ensayo; para los
grupos 1, 3 y 5 los valores actuales son mayores en 14%, 19% y 17% con respecto
al primer ensayo. Por lo tanto las condiciones de ambas pruebas son muy
diferentes.
·
En esta oportunidad, el
Consultor no ha comprobado la potencia medida, calculando la potencia
utilizando las curvas de rendimiento de las unidades de generación, como lo
realizó en el ensayo anterior.
En este sentido, de la
información operativa registrada por el COES-SINAC, se tienen los datos de
caudal registrados en la estación La Mejorada y la cota del embalse Tablachaca,
que se muestran en el Cuadro N° 03. En dicho cuadro se puede apreciar que el
caudal promedio diario en La Mejorada el 22 de junio de 2004 fue de 89,71 m3/s
y el caudal promedio en el periodo comprendido entre las 10:00 y 16:00 horas
fue de 92,27 m3/s.
Considerando la pequeña
variación del volumen registrada en el embalse, en este mismo periodo, se puede
asumir que el caudal turbinado es del orden del caudal registrado en La
Mejorada, lo cual evidencia una gran diferencia respecto al caudal turbinado
estimado en el ensayo efectuado en 1999 que fue de 99,26 m3/s.
Cuadro N° 03
Caudal en Mejorada y Cota del Embalse Tablachaca

Cabe señalar que,
mediante la comunicación COES-SINAC/D-849-2004 del 26 de agosto de 2004, este
organismo ha concluido que no encuentra sustento suficiente para la aprobación
del Informe Final de Potencia Efectiva del Complejo Hidrológico del Mantaro,
por lo cual solicita a ELECTROPERU efectuar un nuevo ensayo a la mayor brevedad
posible, bajo condiciones hidrológicas más adecuadas.
ANALISIS DEL NUEVO
VALOR DE POTENCIA EFECTIVA ESTIMADO
Sobre la base de los
medidores electrónicos del COES-SINAC y, conforme a la metodología descrita en el
informe OSINERG UFCOES-042-2004, se evaluó la producción de la C.H. Mantaro,
para estimar su máxima potencia producible y comprobar su capacidad (potencia)
electromecánica declarada, cuyos resultados son mostrados en el Cuadro N° 04.
En dicho cuadro se puede
apreciar que los PPMM que superaron la Potencia Efectiva vigente, tienen
una desviación estándar (s) muy inferior al limite
de 1,5% establecido en el PR-N° 18 del COES-SINAC, límite referido a las
variaciones de las potencias medidas en los ensayos con respecto al valor
promedio de estas mediciones.
En consecuencia, sobre la
base de los registros de medidores electrónicos, en promedio, se estima que la
máxima capacidad electromecánica de la C.H. Mantaro sería de 643,13 MW, valor
que corresponde al promedio de todos los PPM que cumplen la siguiente
condición:
![]()
Donde:
si : Desviación correspondiente al periodo
móvil en que ocurrió el PPMM del mes i.
i : Representa cada mes del año.
Por lo tanto, el valor de
potencia efectiva estimado, corresponde al valor promedio de las Potencias
Promedio Móviles, que resulta de considerar el promedio del máximo valor entre
los registros de potencia efectiva y los PPMM disminuidos en su
desviación estándar.
Cuadro
N° 04
Potencias
Efectivas de la C.H. Mantaro
![]()

INFORMACIÓN
COMPLEMENTARIA
De acuerdo con información pública[28]
se desprende, que a la producción registrada en el mes de marzo de 2004, igual
a 636 GWh en el Complejo Mantaro, le correspondería a éste una potencia
efectiva media de 854,8 MW. Luego, considerando el valor de producción de la
central Mantaro alcanzada en marzo (478,75 GWh) y afectándola de un porcentaje
de error de 0,2% correspondiente a la precisión de medición (477,8 GWh), la
Potencia Efectiva media de la referida central podría estimarse preliminarmente
en 642,19 MW.
Asimismo, con la información registrada en el
año 2003, tal como se muestra en el Gráfico N° 01, en el informe
UFCOES-018-2004 se concluyó lo siguiente:
El Complejo
Mantaro ha superado en 25.6 MW su valor de PE aprobada, de lo evaluado, esto
principalmente por el cambio de rodetes efectuado entre el segundo trimestre
del año 2003, y purgas efectuadas periódicamente en la presa Tablachaca.
El PPMM
obtenido
|
C.H.
Mantaro |
C.H.
Restitución |
Total |
|
653,04 |
214,10 |
867,13 |
Se han obtenido
los siguientes valores promedios:
|
Error
(%) |
C.H.
Mantaro |
C.H.
Restitución |
Total |
|
1,5 |
641,66 |
212,39 |
854,06 |
|
σ |
643,58 |
213,07 |
856,64 |
Con lo cual, la potencia efectiva estimada de
la central Mantaro alcanzó el valor de 641,66 MW (este valor fue utilizado en
la fijación tarifaria de mayo 2004).
Estadísticamente se ha comprobado que,
considerando las Potencias Promedio Móvil Máximas (PPMM), la potencia
efectiva alcanzada por la central Mantaro habría superado los 631 MW, tal como
se observa en el Gráfico N° 02. Más adelante, en el Cuadro N° 04 se apreciarán
los resultados del análisis efectuado a los registros de energía de la C.H.
Mantaro, con la finalidad de estimar el nuevo valor de su potencia efectiva.
Gráfico N° 01

Grafico N° 02

CONCLUSIONES
·
De la revisión del
informe del Consultor CENERGIA, entregado por el COES-SINAC, se puede concluir
que las condiciones en las cuales se efectuó el ensayo de potencia en el
presente año son muy diferentes a las del ensayo efectuado en el año 1999.
·
Al no haberse medido el
caudal turbinado por las unidades de generación del Complejo Mantaro y no
haberse comprobado las potencia medidas utilizando las curvas de rendimiento de
las unidades para los caudales supuestos, no se puede determinar cuál ha sido
el caudal turbinado durante el ensayo.
·
Mediante la comunicación
COES-SINAC/D-849-2004 del 26 de agosto de 2004, el COES-SINAC ha concluido que
no encuentra sustento suficiente para la aprobación del Informe Final de
Potencia Efectiva del Complejo Hidrológico del Mantaro, por lo cual solicita a
ELECTROPERU efectuar un nuevo ensayo a la mayor brevedad posible, bajo
condiciones hidrológicas más adecuadas.
·
Conforme a la metodología
explicada en el informe OSINERG UFCOES-042-2004, la potencia efectiva que se
debe considerar para la C.H. Mantaro deberá ser 643,13 MW.
En resumen, el valor de potencia efectiva estimado, corresponde al valor
promedio de las Potencias Promedio Móviles, que resulta de considerar el
promedio del máximo valor entre los registros de potencia efectiva y los PPMM
disminuidos en su desviación estándar.


Anexo G
Tasas de Gastos Financieros para Stock de
Combustibles
El COES-SINAC se reafirma en su propuesta de que en los gastos financieros asociados a los stocks de combustibles se utilice una tasa de interés igual al 12%. Sustenta su pedido en el Informe de Apoyo Consultoría que fue presentado como Anexo en el documento de absolución de observaciones correspondiente a la fijación tarifaria de mayo 2004.
En este sentido, los argumentos presentados por el COES-SINAC en la ABSOLUCIÓN son esencialmente los mismos que fueran presentados en la regulación de tarifas mencionada en el párrafo anterior anterior, los cuales han sido analizados en dicho proceso (Anexo F del Informe OSINERG-GART/DGT N° 028A-2004 que sustentó la Resolución N° 069-2004-OS/CD, que fijó las Tarifas en Barra para el período mayo – octubre 2004) y que los mismos fueron, también, desestimados por el OSINERG por las razones señaladas en el apartado 2.4.2 de la parte considerativa de la Resolución N° 122-2004-OS/CD que resolvió el Recurso de Reconsideración presentado por el COES-SINAC contra la Resolución N° 069-2004-OS/CD.
En consideración a lo expuesto en el párrafo precedente y ante la ausencia de argumentos nuevos sobre la propuesta del COES-SINAC en este punto, se mantendrá lo dispuesto mediante la Resolución OSINERG N° 122-2004-OS/CD de que la tasa de interés para los costos financieros por stock de combustibles líquidos debe corresponder a tasas de mercado.
En consecuencia, de acuerdo con el criterio de utilizar tasas de mercado representativas (en dólares) del mercado local para préstamos de capital de trabajo, en el caso de los costos financieros para mantener el stock de combustibles se utiliza el valor de la tasa libor activa a un año más 1,1%[29], cuyo resultado es igual a 3,39%[30].
Anexo H
Precio
Básico de Potencia
A continuación se presenta el análisis de la absolución de observaciones por parte del COES-SINAC con relación al Precio Básico de Potencia. En dicho análisis se considera la información presentada por el COES-SINAC tanto en el ESTUDIO como en la ABSOLUCIÓN.
H.1 Costos de
Inversión de la Central Termoeléctrica
Observación 21.1: El OSINERG solicitó se justifique el valor
del precio FOB asumido en el ESTUDIO como el promedio de las últimas cinco
publicaciones de la revista Gas Turbine World Handbook.
El
COES-SINAC señala, sobre este tema, que “De
lo encontrado en las últimas ediciones de la revista Gas Turbine World Handbook
(GTWH) con referencia al costo FOB de las unidades, se ha observado una
variación importante de dichos valores tal como se muestra en el Cuadro No 2
y la
Figura No 1. Considerando la necesidad de mantener
una adecuada estabilidad en los precios regulados se propone utilizar el
promedio de costos de las últimas 5 publicaciones de la revista GTWH.
Se estima que con ello se cubre el periodo
típico de renovación de las tecnologías utilizadas en dichas unidades”.
A
continuación, con la finalidad de ilustrar lo manifestado por el COES-SINAC, se
muestran el cuadro y la figura presentados en la ABSOLUCIÓN:
Cuadro No 2
Información Costo FOB y Capacidad Nominal
ISO

(1) FOBTG = Precio FOB del módulo de
generación que es igual al cociente obtenido al dividir la suma de los FOB de
cada unidad entre el número de unidades
Figura No 1

Al respecto, se considera que la unidad de punta debe ser una unidad no necesariamente existente comercialmente, pero sí debe ser representativa de las unidades existentes en el mercado mundial de turbinas para la capacidad requerida por el SEIN.
Así, se debe tener en cuenta que, seleccionar una unidad comercial existente en el mercado podría originar variaciones del precio de la potencia de punta al compararse económicamente unidades de diferente tecnología. Por ejemplo, podría seleccionarse una unidad de tecnología nueva, de mayor costo de inversión y con un alto rendimiento que compense la mayor inversión, incrementándose de esta manera el precio de la potencia, o podría ocurrir el caso contrario, de seleccionar una unidad de bajo costo de inversión que compensaría el menor rendimiento, obteniéndose de esta manera un precio de la potencia de punta menor.
Asimismo, y tal como ha
acontecido, se puede dar el caso que debido a coyunturas internacionales, los
precios de las turbinas a gas sufran variaciones bruscas como producto del
ajuste entre la oferta y la demanda internacional de turbinas a gas. Estas
variaciones bruscas en el precio de las turbinas originan una volatilidad del
precio de la potencia en el mercado regulado, generando una señal inestable.
Por tanto, es conveniente considerar un costo estabilizado en el tiempo como
una media móvil de cinco años.
17% 11%![]()
![]()
![]()

Cabe
señalar, a manera de comparación, que esta situación también fue analizada por
la Superintendencia de Electricidad de Bolivia, la cual mediante Resolución SSDE
N° 074/2004 de fecha 20.02.2004, modificó la Norma Operativa N° 19
“Determinación del Precio Básico de la Potencia de Punta” para considerar como
precio de lista un promedio de los precios de la revista GTWH.
En
este sentido, el costo promedio de las unidades turbogases propuesto por el
COES-SINAC permite una estabilidad del precio de la potencia para el mercado
regulado, por lo que su propuesta es considerada aceptable.
Observación 21.2: El OSINERG solicitó se justifique la
capacidad nominal ISO asumida en el ESTUDIO como el promedio de las últimas
cinco publicaciones de la revista Gas Turbine World Handbook.
Con
relación a este tema, el COES-SINAC manifiesta que, de la misma forma a lo
indicado en el numeral 21.1 de costo FOB del turbogenerador, dado que entre
publicaciones de las revista GTWH existen algunas diferencias en la potencia
ISO de las unidades, se propone usar el promedio de potencias ISO publicadas en
las últimas 5 publicaciones de la revista GTWH para la respectiva unidad.
Sobre
el particular, se debe señalar que las diferencias producidas entre
publicaciones pueden ser debidas a modificaciones o mejoras introducidas en las
unidades, mejoras que se reflejan también en los costos de las unidades. En el
caso de reducción de capacidad puede ser debido a variaciones en el suministro
estándar que origina esta diferencia, lo cual también debe estar reflejado en
el precio.
Al
considerar el costo FOB como el costo promedio, es correcto considerar la
capacidad como el promedio de las
capacidades de las mismas publicaciones, en vista que dichas capacidades están
relacionadas a los costos empleados para el promedio.
En este
sentido, se considera que la observación ha sido levantada por el COES–SINAC.
Observación 21.3: El OSINERG solicitó el retiro del rubro de
supervisión de importaciones, tanto para la turbina, como para la conexión
eléctrica, tomando en consideración que la Ley N° 27973 ha derogado el Decreto
Legislativo N° 659, y por tanto, ha dejado sin efecto el Régimen de Supervisión
de Importaciones.
El COES-SINAC ha retirado el rubro de supervisión de importaciones tanto para la turbina como para la conexión eléctrica, con lo cual la observación ha sido levantada a satisfacción del OSINERG.
H.2 Intereses durante
la construcción
El
OSINERG solicitó al COES-SINAC que calcule los intereses durante la
construcción, de la inversión en la central térmica y en la conexión eléctrica,
empleando la tasa de interés promedio del mercado financiero, toda vez que
estos costos están relacionados con las tasas locales para préstamos de capital
de trabajo. Cabe precisar que el
COES-SINAC ha considerado una tasa de interés del 12%, señalando como
sustento el informe contenido entre los folios 1711 y 1724 del ESTUDIO. Con relación
a dicho informe, se le ha indicado que éste ya ha sido analizado y desestimado
por el OSINERG en la fijación de tarifas de mayo de 2004, por las razones
expuestas en el Informe OSINERG-GART/DGT N° 028A-2004, habiéndose resuelto el
tema mediante la Resolución OSINERG N° 122-2004-OS/CD.
Al
respecto, en la ABSOLUCIÓN el COES-SINAC se reafirma en su posición de utilizar
una tasa del 12% señalando como sustento los mismos argumentos que ha empleado
para sustentar esta tasa en el caso de los gastos financieros para stock de
combustibles .
El
COES-SINAC no presenta sustento a la propuesta reiterativa de considerar como
tasa de interés la tasa de descuento del 12% que no haya sido denegada
anteriormente por el OSINERG; por consiguiente, no ha levantado la observación
planteada por el OSINERG, debiendo realizarse la corrección de la tasa de
interés para determinar el Precio Básico de Potencia.
Cabe
precisar que el OSINERG, en la regulación anterior señaló que, en el caso que los gastos financieros, éstos son considerados como
gastos indirectos ya sea en condición de operativos o pre-operativos, y por
tanto deben ser tratados como tales. Lo que se quiere decir es, que deben ser
costeados a su valor en el mercado (tasa de interés de mercado) como cualquier
otro gasto, no existiendo ninguna razón para hacer distingos en lo que se
refiere a algún otro gasto típico[31].
En este sentido, se deberá emplear, para el cálculo del Precio Básico de Potencia, el valor de la tasa TAMEX más reciente[32].
H.3 Costos Fijos de
Operación y Mantenimiento de la Turbina a Gas
Antes
de proceder al tratamiento específico de cada uno de los temas que comprenden
este rubro, cabe precisar que se le solicitó al COES-SINAC entregar la
información completa de los costos de repuestos, así como la información de la
cantidad de piezas existentes en la máquina y las cantidades recomendadas por
el fabricante para el mantenimiento de la misma. Ello, por cuanto, aún cuando
la propuesta contenida en el ESTUDIO supone una variación de aproximadamente
40% en el valor del Costo Fijo No Combustible (CFNC), respecto del valor
reconocido en mayo de 2004, el COES no la sustenta adecuadamente.
Observación 23.1: El OSINERG solicita al COES-SINAC que
corrija la tasa empleada en el cálculo del costo de los repuestos, aplicando lo
establecido en el Decreto Supremo N° 193-2003-EF que modificó las tasas de
derechos Ad Valorem del 7% al 4% para las turbinas a gas y partes de turbina.
Al
respecto, el COES-SINAC en su absolución señala que ha corregido la Tasa de
Derechos Ad Valorem a 4%.
Observación 23.2: El
OSINERG manifiesta que el COES-SINAC no ha presentado la lista de precios de
los componentes que ha considerado en su propuesta (los cuales corresponderían
a los de una unidad W501D5A, comercializada por la empresa Siemens
Westinghose). Al respecto, se debe mencionar que dicho modelo opera en el SEIN
bajo la propiedad de la empresa EDEGEL y, en ese sentido, se considera que los
costos asociados a dicha máquina son accesibles, y por tanto, el COES–SINAC
deberá entregar la documentación sustentatoria de la información que permita
verificar los costos y las cantidades consideradas. Dicha información, deberá
contener el número de piezas existentes en la unidad y el número de piezas
recomendadas por el fabricante para ser adquiridas. Asimismo, se le menciona haber observado diferencias en los
códigos de algunos repuestos, respecto de los códigos considerados en la
fijación de tarifas de mayo de 2004, así por ejemplo, el componente NOZZLE
ASSEMBLY con código 795J968G05, aparece bajo el nombre de DUAL NOZZLE ASSEMBLY.
Con
respecto a la información de los repuestos, el COES-SINAC en su absolución,
manifiesta que el fabricante le ha
proporcionado una lista de repuestos actualizada de la unidad W501D5A la cual
ha sido utilizada para el cálculo del costo fijo de operación y mantenimiento.
Asimismo, con respecto a la diferencia en los códigos de algunos repuestos, el
COES-SINAC menciona que la información y el libro Excel utilizado para el
cálculo del costo fijo de operación y mantenimiento
en la fijación de mayo 2004 corresponden a la unidad W501D5 y que en esta
fijación tarifaria para el cálculo del costo fijo de operación y mantenimiento
se ha utilizado la información de la unidad W501D5A proporcionada por el
fabricante al operador de la unidad, por lo que la diferencia en los códigos de
los repuestos se debe a que se está comparando los repuestos de dos máquinas
diferentes.
Sobre
este tema, el OSINERG debe señalar que:
·
Con
respecto a la información de los repuestos, el COES-SINAC ha remitido la
información de costos solicitada para inspecciones mayores de combustor e
inspección de zona de gases calientes. La documentación proporcionada para
mantenimiento mayor carece de la información de número de piezas existentes en
la unidad y el número de piezas recomendadas por el fabricante para ser
adquiridas.
·
Con
respecto a la diferencia en los códigos de algunos repuestos, se ha verificado,
sobre la base de la información recibida del COES-SINAC, que el componente con
código 795J968G05 corresponde a DF42 DUAL FUEL NOZZLE ASSEMBLY. La unidad de
punta es una unidad que se considera opera con combustible diesel N° 2, por lo
que el componente DF42 DUAL FUEL NOZZLE ASSEMBLY no debe ser considerado en el
análisis de costos al corresponder como su nombre lo dice, a un sistema de combustible
dual.
Por lo
expuesto, y sobre la base de la revisión de la información presentada, el
OSINERG ha procedido a realizar la corrección en el cálculo de los costos fijos
de operación y mantenimiento.
Observación 23.3: El OSINERG le solicita al COES-SINAC que recalcule los costos fijos no combustibles excluyendo los costos de las inspecciones menores de combustión. Se le reitera que este tema ha sido tratado ampliamente en los diferentes procesos de regulación tarifaria (desde noviembre del año 2002), habiendo sido denegada su inclusión por las razones expuestas en los informes que sustentaron las resoluciones tarifarias y los que resolvieron los recursos de reconsideración contra las mismas.
Al respecto, se debe señalar que los argumentos dados por el COES-SINAC en la ABSOLUCIÓN han sido expuestos anteriormente en regulaciones pasadas y resueltos en su oportunidad y que, por lo tanto, no constituyen sustento nuevo para el presente proceso. Sin embargo, con relación al sustento de la fórmula alterna que menciona el COES-SINAC en la ABSOLUCIÓN, sólo para fines informativos se debe indicar que la fórmula empleada corresponde a la estimación del tiempo transcurrido para propósitos de garantía de la unidad y no corresponde a las horas equivalentes para programación de las inspecciones de la unidad.
En consecuencia, dado que no existe un sustento nuevo sobre este tema, no corresponde incorporar las inspecciones menores de combustores del cálculo de los CFNC.
Observación 23.4: El OSINERG solicita al COES-SINAC que presente la documentación sustentatoria para modificar el número de reparaciones de los álabes de la 2da y 3ra etapa a una sola reparación, con respecto de lo utilizado en la fijación de tarifas de mayo de 2004.
Sobre este tema, el COES-SINAC señala que en el folio 1768 del ESTUDIO se encuentra el sustento correspondiente proporcionado por el operador de la unidad W501D5A.
Sin embargo, debe manifestarse que, sobre la base de la información suministrada, no es posible verificar que dicha información proviene del fabricante. En este sentido, se recomienda solicitar al operador, para la próxima regulación tarifaria, la información entregada por el fabricante, manteniéndose, en consecuencia, para esta fijación el número de reparaciones considerado en el análisis del OSINERG.
H.4 Factor de
Corrección por Envejecimiento
El OSINERG
observó al COES-SINAC la inclusión de un factor de
corrección por envejecimiento de la turbina a gas, como parte de los factores
de corrección aplicados para determinar la potencia efectiva de la unidad de
punta. Ello, por cuanto este tema ya
ha sido tratado ampliamente en el proceso de regulación tarifaria Noviembre
2002 – Abril 2003, habiendo sido denegada su inclusión por las razones
expuestas en el Anexo D del Informe OSINERG-GART/GRGT N° 081-2002 que sustentó
la Resolución OSINERG N° 1458-2002-OS/CD, la cual fijó las Tarifas en Barra
para el periodo Noviembre 2002 – Abril 2003, así como por lo expresado en el
numeral 2.4 del Informe OSINERG-GART/GRGT N° 085-2002 que sustentara la
Resolución que resolvió un recurso de reconsideración presentado contra la
Resolución OSINERG N° 1458-2002-OS/CD. En consecuencia, el COES-SINAC debía
proceder a recalcular el Precio Básico de Potencia excluyendo este factor.
Al respecto, el COES-SINAC se ratifica en el uso de este factor; no obstante, los argumentos presentados no son nuevos ni diferentes a los presentados con anterioridad, por lo que tratándose de un tema recurrente ya resuelto por el regulador no corresponde incluir dicho factor en el cálculo del Precio Básico de Potencia.
No obstante, se debe reiterar que el Precio Básico de Potencia se paga en la máxima demanda mensual, lo cual equivaldría a tres horas de operación anuales, lo que no justifica considerar un factor de degradación para 6 meses. Asimismo, en términos económicos no es razonable considerar que la capacidad efectiva de la unidad es una capacidad reducida por envejecimiento que se producirá a futuro, es decir, durante la operación futura de la planta; esta situación sería similar a considerar que la unidad propuesta no es una unidad nueva, que podría ser una unidad de segunda mano que se ofrece en el mercado de turbinas.
H.5 Estimación del
CFNC de la Unidad de Punta y del Precio Básico de Potencia a ser empleados en
la regulación de noviembre 2004
Se ha efectuado la revisión del cálculo del CFNC de la unidad de punta realizándose las correcciones producto de las observaciones indicadas en el presente Anexo; cabe señalar que durante la revisión se detectó además que el COES–SINAC había considerado en el cálculo de las horas equivalentes, la introducción de dos disparos de la unidad que fuera denegado anteriormente por el OSINERG y también la modificación de los costos anuales, habiendo realizado una separación en costos anuales periódicos y costos incurridos cada 8 000 horas equivalentes, no presentando sustento del cambio. Cabe indicar que en procesos anteriores, el OSINERG solicitó al COES-SINAC sustentar la partida OTROS COSTOS, que a la fecha no ha sido atendida.
Realizada las modificaciones pertinentes, se obtiene un CFNC de 945 047 US $/año, resultado que se muestra en el Cuadro N° 04.
Cuadro N° 04
Costo Fijo No Combustible de la Unidad de
Punta

De la misma manera, realizando las correcciones al cálculo del Precio Básico de Potencia de la tasa de interés y el costo fijo no combustible, se obtiene el valor recomendado para la presente regulación tarifaria, ascendente a 64,50 US$/kW-año, mostrado en el Cuadro N° 05.
Cuadro N°
05

Anexo I
Diagrama Unifilar SEIN
DIAGRAMA DEL SISTEMA
ELÉCTRICO INTERCONECTADO NACIONAL
(Esquema
Unifilar del Sistema Simplificado en el Modelo PERSEO)

[1] Al 31 de agosto de 2004.
[2] Única.- Para efectos de la fijación tarifaria de los periodos que se inician en los meses de noviembre de 2004 y mayo de 2005, la proyección de la demanda y de la oferta extranjeras se determinará sobre la base de la simulación de las transacciones de corto plazo que se hubiesen producido en los enlaces internacionales durante el año 2003, para lo cual se tomarán en cuenta los datos históricos de ese año del SEIN y de los sistemas de los países involucrados. El Ministerio de Energía y Minas, a propuesta del OSINERG, establecerá las premisas y parámetros de cálculo de las simulaciones a que se refiere la presente Disposición.
[3] Para fines de comparación, en el cuadro siguiente se muestran los peajes del Sistema Principal de Transmisión aprobados mediante la Resolución OSINERG N° 069-2004-OS/CD y sus modificatorias, y los peajes del Sistema Secundario de Transmisión consignados en la Resolución OSINERG N° 072-2004-OS/CD y sus modificatorias, debidamente actualizados. Además se considera el cargo por Garantía por la Red Principal de Camisea fijado mediante Resolución OSINERG N° 187-2004-OS/CD y sus modificatorias.
[4] Para fines de comparación, en el cuadro siguiente se muestran los peajes del Sistema Principal de Transmisión aprobados mediante la Resolución OSINERG N° 069-2004-OS/CD y sus modificatorias, y los peajes del Sistema Secundario de Transmisión consignados en la Resolución OSINERG N° 072-2004-OS/CD y sus modificatorias, debidamente actualizados. Además se considera el cargo por Garantía por la Red Principal de Camisea fijado mediante Resolución OSINERG N° 187-2004-OS/CD y sus modificatorias.
[5] En este Informe los términos “Ley” y “Reglamento” se refieren a la Ley de Concesiones Eléctricas (D.L. N° 25844) y a su Reglamento (D.S. N° 009-93-EM) respectivamente. En tanto el término “Decreto” se refiere al Decreto Supremo N° 010-2004-EM.
[6] En el presente informe los términos Sistema Interconectado Nacional (SINAC) o Sistema Eléctrico Interconectado Nacional (SEIN) se refieren a lo mismo y se utilizan de manera indistinta. Por razones históricas, ambas denominaciones se han utilizado por las entidades del sector eléctrico para referirse al sistema de generación y a la red de alta y muy alta tensión que interconecta a las principales ciudades de todo el país a partir de octubre del año 2000.
[7] Artículo 119º.- Antes del 15 de Marzo y 15 de Setiembre de cada año, cada COES deberá presentar a la Comisión el estudio técnico-económico de determinación de precios de potencia y energía en barras, de conformidad con las disposiciones contenidas en los Artículos 47º a 50º inclusive, de la Ley, en forma detallada para explicitar y justificar, entre otros aspectos, los siguientes:
a) La proyección de la demanda de potencia y energía del sistema eléctrico;
b) El programa de obras de generación y transmisión factibles de entrar en operación en el periodo;
c) Los costos de combustibles, Costo de Racionamiento considerado y otros costos variables de operación pertinentes;
d) La Tasa de Actualización utilizada en los cálculos;
e) Los Costos Marginales de Corto Plazo de energía proyectados;
f) Los Precios Básicos de la Potencia de punta y de la energía;
g) Los factores de pérdidas marginales de potencia y de energía;
h) El Costo Total de Transmisión, discriminando los costos de inversión y los de operación y mantenimiento tanto para el Sistema Principal como para los Sistemas Secundarios de Transmisión;
i) Los valores resultantes para los Precios en Barra;
j) La fórmula de reajuste propuesta; y,
k) Cálculo del Ingreso Tarifario esperado en los Sistema Principal y Secundarios de Transmisión, para la fijación del Peaje por Conexión y del Peaje Secundario.
[8] Artículo 122º.- En los casos en que la Comisión haya presentado observaciones a los estudios de costos presentados por el COES o los concesionarios para la fijación tarifaria, y éstas no hayan sido absueltas a satisfacción de la Comisión, corresponderá a la Comisión establecer los valores finales y fijar las tarifas dentro de los márgenes que señalan los Artículos 53º y 71º de la Ley.
[9] Artículo 125º.- El Precio Básico de la Energía, a que se refiere el inciso d) del Artículo 47º de la Ley, será calculado mediante el siguiente procedimiento:
a) Se calculará el Valor Presente del producto de la demanda por el respectivo costo marginal de cada período proyectado;
b) Se calculará el Valor Presente de la demanda de cada período proyectado; y,
c) Se obtendrá el cociente de a) y b).
El Valor Presente señalado en los incisos a) y b) serán obtenidos empleando la Tasa de Actualización señalada en el Artículo 79º de la Ley y un número de períodos de 48 meses.
[10] Artículo 47º.- Para la fijación de Tarifas en Barra, cada COES efectuará los cálculos correspondientes en la siguiente forma:
a) Proyectará la demanda para los próximos cuarentiocho meses y determinará un programa de obras de generación y transmisión factibles de entrar en operación en dicho período, considerando las que se encuentren en construcción y aquellas que estén contempladas en el Plan Referencial elaborado por el Ministerio de Energía y Minas;
b) Determinará el programa de operación que minimice la suma del costo actualizado de operación y de racionamiento para el período de estudio, tomando en cuenta, entre otros: la hidrología, los embalses, los costos de combustible, así como la Tasa de Actualización a que se refiere el artículo 79° de la presente Ley;
c) Calculará los Costos Marginales de Corto Plazo esperados de energía del sistema, para los Bloques Horarios que establece la Comisión de Tarifas de Energía, correspondiente al programa de operación a que se refiere el acápite anterior;
d) Determinará el Precio Básico de la Energía por Bloques Horarios para el período de estudio, como un promedio ponderado de los costos marginales antes calculados y la demanda proyectada, debidamente actualizados;
e) Determinará el tipo de unidad generadora más económica para suministrar potencia adicional durante las horas de demanda máxima anual del sistema eléctrico y calculará la anualidad de la inversión con la Tasa de Actualización correspondiente fijada en el artículo 79 de la presente Ley;
f) Determinará el precio básico de la potencia de punta, según el procedimiento que se establezca en el Reglamento, considerando como límite superior la anualidad obtenida en el inciso anterior.
En caso de que la reserva del sistema sea insuficiente se considerará para este fin un margen adicional, al precio establecido en el párrafo precedente;
g) Calculará para cada una de las barras del sistema un factor de pérdidas de potencia y un factor de pérdidas de energía en la transmisión.
Estos factores serán iguales a 1,00 en la barra en que se fijen los precios básicos;
h) Determinará el Precio de la Potencia de Punta en Barra, para cada una de las barras del sistema, multiplicando el Precio Básico de la Potencia de Punta por el respectivo factor de pérdidas de potencia, agregando a este producto el Peaje por Conexión a que se refiere el artículo 60° de la presente Ley; y,
i) Determinará el Precio de Energía en Barra, para cada una de las barras del sistema, multiplicando el Precio Básico de la Energía correspondiente a cada Bloque Horario por el respectivo factor de pérdidas de energía.
Artículo 48º.- Los factores de pérdida de potencia y de energía se calcularán considerando las Pérdidas Marginales de Transmisión de Potencia de Punta y Energía respectivamente, considerando un Sistema Económicamente Adaptado.
Artículo 49º.- En las barras del Sistema Secundario de Transmisión el precio incluirá el Costo Medio de dicho Sistema Económicamente Adaptado.
Artículo 50º.- Todos los costos que se utilicen en los cálculos indicados en el artículo 47° deberán ser expresados a precios vigentes en los meses de marzo o septiembre, según se trate de las fijaciones de precio de mayo o de noviembre, respectivamente.
[11] Artículo 126º.- La Anualidad de la Inversión a que se refiere el inciso e) del Artículo 47º de la Ley, así como el Precio Básico de Potencia a que se refiere el inciso f) del Artículo 47° de la Ley, serán determinados según los siguientes criterios y procedimientos:
a) Procedimiento para determinar el Precio Básico de la Potencia:
I) Se determina la Anualidad de la Inversión a que se refiere el inciso e) del Artículo 47° de la Ley, conforme al literal b) del presente artículo. Dicha Anualidad se expresa como costo unitario de capacidad estándar;
II) Se determina el Costo Fijo anual de Operación y Mantenimiento estándar, considerando la distribución de los costos comunes entre todas las unidades de la central. Dicho costo se expresa como costo unitario de capacidad estándar;
III) El Costo de Capacidad por unidad de potencia estándar, es igual a la suma de los costos unitarios estándares de la Anualidad de la Inversión más la Operación y Mantenimiento definidos en los numerales I) y II) que anteceden;
IV) El Costo de Capacidad por unidad de potencia efectiva, es igual al Costo de Capacidad por unidad de potencia estándar por el factor de ubicación. El factor de ubicación es igual al cociente de la potencia estándar entre la potencia efectiva de la unidad;
V) Se determina los factores que tomen en cuenta la Tasa de Indisponibilidad Fortuita de la unidad y el Margen de Reserva Firme Objetivo del sistema; y
VI) El Precio Básico de la Potencia es igual al Costo definido en el numeral IV) por los factores definidos en el numeral V) que anteceden.
b) Procedimiento para determinar la Anualidad de la Inversión:
I) La Anualidad de la Inversión es igual al producto de la Inversión por el factor de recuperación de capital obtenido con la Tasa de Actualización fijada en el Artículo 79° de la Ley, y una vida útil de 20 años para el equipo de Generación y de 30 años para el equipo de Conexión.
II) El monto de la Inversión será determinado considerando:
1) El costo del equipo que involucre su precio, el flete, los seguros y todos los derechos de importación que les sean aplicables (equivalente a valor DDP de INCOTERMS); y,
2) El costo de instalación y conexión al sistema.
III) Para el cálculo se considerarán los tributos aplicables que no generen crédito fiscal.
c) La Comisión fijará cada 4 años la Tasa de Indisponibilidad Fortuita de la unidad de punta y el Margen de Reserva Firme Objetivo del sistema, de acuerdo a los criterios de eficiencia económica y seguridad contenidos en la Ley y el Reglamento.
La Comisión fijará los procedimientos necesarios para la aplicación del presente artículo.
[12] Artículo 123º.- La proyección de la demanda a que se refiere el inciso a) del Artículo 47º de la Ley, se efectuará considerando la correlación de la demanda de electricidad con factores económicos y demográficos relevantes.
La tasa de crecimiento anual de la proyección de la demanda deberá guardar relación con la tasa correspondiente a los 48 meses previos al período proyectado, considerando los factores coyunturales que la hubieren afectado.
Serán considerados por separado en la proyección de la demanda, los proyectos con demandas superiores a 10 MW, siempre que cumplan con los requisitos y condiciones que se aprueban por resolución ministerial.
Se considerarán factibles de entrar en operación en el período a que se refiere el inciso a) del Artículo 47° de la Ley, aquellos proyectos de generación y transmisión cuyos títulos no se encuentren en causal de caducidad o cancelación según corresponda y que cumplan con los requisitos y condiciones que se aprueben por resolución ministerial.
Los requisitos y condiciones para el programa de obras y la proyección de la demanda, podrán ser revisados por el Ministerio cada dos (2) años, debiendo ser publicados antes del 30 de noviembre del año correspondiente, caso contrario, se mantendrán vigentes los requisitos y condiciones aprobados en la última resolución publicada.
Para la proyección de la demanda y oferta extranjeras en la fijación de las Tarifas en Barra, se considerarán los datos históricos de las transacciones de corto plazo producidos en los últimos doce (12) meses anteriores al mes precedente a la fecha de presentación al OSINERG del estudio técnico – económico por el COES, y se aplicarán como una constante para el período a que se refiere el inciso a) del Artículo 47° de la Ley.
[13] Cartas GOEA/531-2004 de fecha 21.07.04 y COES-SINAC/D-750-2004 de fecha 03.08.04 (folios 879 y 880 de la ABSOLUCIÓN).
[14] Cartas EGESG/467-2004-GC de fecha 27.07.04, COES-SINAC/D-748-2004 de fecha 02.08.04, EGESG/517-2004-GC de fecha 20.08.04, COES-SINAC/D-831-2004 de fecha 23.08.04; C-599-2004 y C-605-2004 de fechas 17.08.04 y 19.08.04 (folios 882 al 889 de la ABSOLUCIÓN).
[15] Un mil = 1 milésimo de US$.
[16] A fin de cumplir con lo establecido en el Artículo 50° de la LCE en la publicación de la Resolución de Tarifas en Barra se deberán considerar los costos al 30 de setiembre de 2004. Al respecto, dicho artículo señala que todos los costos que se utilicen en los cálculos para la fijación de las Tarifas en Barra deberán ser expresados a precios vigentes en los meses de marzo o setiembre, según se trate de las fijaciones de precio de mayo o de noviembre, respectivamente.
[17] Artículo 124º. El programa de operación a que se refiere el inciso b) del Artículo 47º de la Ley, se determinará considerando los siguientes aspectos:
a) ...
c) El costo de los combustibles será determinado utilizando los precios y condiciones que se señalan en el Artículo 50° de la Ley y se tomarán los precios del mercado interno, teniendo como límite los precios que publique una entidad especializada de reconocida solvencia en el ámbito internacional.
[18] La información correspondiente al precio único, su fórmula de reajuste y la calidad del gas natural deberá efectuarse una vez al año, el último día hábil de la primera quincena del mes de junio en sobre cerrado. Dicha información tendrá vigencia desde el 1 de julio hasta el 30 de junio del año siguiente.
[19] Para fines de comparación, en el cuadro siguiente se muestran los peajes del Sistema Principal de Transmisión aprobados mediante la Resolución OSINERG N° 069-2004-OS/CD y sus modificatorias, y los peajes del Sistema Secundario de Transmisión consignados en la Resolución OSINERG N° 072-2004-OS/CD y sus modificatorias, debidamente actualizados. Además se considera el cargo por Garantía por la Red Principal de Camisea fijado mediante Resolución OSINERG N° 187-2004-OS/CD y sus modificatorias.
[20] Artículo. 53º.- Las tarifas que fije la Comisión de Tarifas de Energía, no podrán diferir, en más de diez por ciento, de los precios libres vigentes. El Reglamento establecerá el procedimiento de comparación.
[21] Artículo 129º.- Para efectuar la comparación a que se refiere el Artículo 53º de la Ley, los concesionarios y titulares de autorizaciones deberán presentar a la Comisión los contratos de suministro de electricidad suscritos entre el suministrador y el cliente sujeto a un régimen de libertad de precios, y la información sustentatoria en la forma y plazo que ella señale.
Dicha comparación se realizará considerando el nivel de tensión y observando el siguiente procedimiento:
a) Para cada usuario no sujeto a regulación de precios, se determinará un precio medio de la electricidad al nivel de la Barra de Referencia de Generación, considerando su consumo y facturación total de los últimos seis meses. La Barra de Referencia de Generación, es la Barra indicada por la Comisión en sus resoluciones de fijación de Precios en Barra;
b) Con los precios medios resultantes y sus respectivos consumos, se determinará un precio promedio ponderado libre;
c) Para los mismos usuarios a que se refiere el inciso a) del presente artículo, se determinará el precio medio teórico de la electricidad que resulte de la aplicación de los precios de potencia y de energía teóricos al nivel de la Barra de Referencia de Generación a sus respectivos consumos. El precio teórico de la energía se calcula como la media ponderada de los precios de energía, determinados según lo señalado en el inciso i) del Artículo 47° de la Ley y el consumo de energía de todo el sistema eléctrico para los bloques horarios definidos por la Comisión. El precio teórico de la potencia, corresponde a lo señalado en el inciso h) del Artículo 47° de la Ley, pudiendo descontarse de os costos de transmisión;
d) A base de los consumos y los precios medios teóricos, obtenidos en el inciso precedente, se determinará un precio promedio ponderado teórico; y,
e) Si el valor obtenido en el inciso d) no difiere en más de 10% del valor obtenido en el inciso b), los precios de energía determinados según lo señalado en el inciso i) del Artículo 47° de la Ley, serán aceptados. En caso contrario, la Comisión modificará proporcionalmente los precios de energía hasta alcanzar dicho límite.
El precio de la electricidad señalado en el inciso a) del presente artículo, deberá reunir los requisitos y condiciones contenidos en el Artículo 8° de la Ley y en los reglamentos específicos sobre la comercialización de la electricidad a los clientes bajo el régimen de libertad de precios.
La Comisión podrá expedir resoluciones complementarias para la aplicación del presente artículo y publicará periódicamente informes estadísticos sobre la evolución de los precios libres y teóricos de cada uno de los clientes no sujetos al régimen de regulación de precios.
[22] De acuerdo con el marco normativo, los nuevos modelos deben ser presentados con una anticipación suficiente (6 meses), de tal manera que se permita al OSINERG efectuar las revisiones y pruebas correspondientes.
[23] Tratándose de una proyección econométrica es muy probable que el valor definitivo del año 2004 sea mejor estimado por un método alternativo basado en la información histórica de detalle. Tratándose de una proyección para un año del cual ya se conocen los resultados con bastante aproximación para los primeros 8 meses, no tiene mucho valor utilizar proyecciones econométricas que no toman en cuenta la información conocida. Asimismo, debe tenerse en cuenta que la proyección de ventas propuesta por el COES-SINAC cuya curva comparada con los valores históricos que la generan, muestra que existen desviaciones de +/- 2% para varios valores de ventas de la serie histórica, desviación que también se estaría dando en el valor proyectado para el año 2004.
[24] “Informe de Estudios Interconexión Colombia – Ecuador – Perú”, ISA-CENACE-TRANSELECTRIC-COES-REP, 2003 e “Informe Final Estudios de la Operación Radial de la Interconexión Perú – Ecuador”, CENACE-TRANSELECTRIC-REP, 2004.
[25] “Estudio de Interconexión Eléctrica Perú – Ecuador - Hydro Québec International, para ETECEN – TRANSELECTRIC, 2001.
[26] Articulo. 41º.- Las funciones básicas del Comité de Operación Económica del Sistema (COES) son:
...
b) Controlar el cumplimiento de los programas de operación y coordinar el mantenimiento mayor de las instalaciones;
...
[27] Artículo 91º.- La Dirección de Operaciones es el órgano ejecutivo del COES y tendrá las siguientes funciones:
a) Elaborar los programas de operación de corto, mediano y largo plazo del sistema interconectado y comunicarlos a sus integrantes para su cumplimiento;
...
[28] Se ha verificado, de registros de medidores, que la energía alcanzada por el Complejo Mantaro ha sido de 636,01 GWh (478,75 GWh en la C.H. Mantaro y 157,26 GWh en la C.H. Restitución):
MINISTERIO DE ENERGÍA Y MINAS
Nota de prensa
Modernización impulsada por Electroperú da positivos resultados
Complejo Mantaro tuvo en el año 2003 la más alta producción de su
historia
El
Complejo Hidroeléctrico Mantaro obtuvo en el año 2003 la más alta producción de
energía de toda su historia (7 089,9 giga watts hora), que representó el 34,3%
de la producción total de las empresas integrantes del Sistema Eléctrico
Interconectado Nacional (SEIN).
Tal hecho
se explica básicamente por las condiciones meteorológicas favorables y la
eficiente gestión en la conducción del complejo por parte de Electroperú que ha
venido impulsando su modernización de manera constante y efectiva. Esta
empresa, cuyo presidente de directorio es el ingeniero Guillermo Castillo
Justo, cuenta también con la Central Térmica de Tumbes, cuya producción en el
mismo periodo fue de 28,0 GWh.
En
consecuencia, la facturación a sus clientes regulados y libres ascendió a la
suma de mil 110 millones de soles, que viene a ser el máximo valor alcanzado a
la fecha, siendo el margen comercial resultante de la indicada venta y
facturación de 541,5 millones de soles.
Tal como
lo consigna su Memoria Anual, Electroperú tuvo en el año 2003 la mayor participación
en la atención de la demanda de energía a través del SEIN (34,4%), lo que
representa un incremento de 3,7% con respecto al año 2002, debido a la alta
disponibilidad de las unidades de generación de la empresa.
El volumen
total de energía eléctrica vendido por Electroperú en el referido año fue de
7393,2 GWh, de los cuales 6533,2 GWh fueron suministrados a los clientes que
tiene en el mercado regulado y 860,0 GWh fueron entregados a sus clientes del
mercado libre.
Como parte
de sus esfuerzos por alcanzar niveles de excelencia, dicha empresa cuenta con
un Sistema de Gestión de Calidad - SGC, según la Norma Internacional ISO 9001:
2000, implementado para los procesos del Centro de Producción Mantaro,
operación y comercialización, así como las actividades de apoyo; certificado
que ha sido revalidado.
Asimismo,
ha obtenido la Certificación del Sistema de Gestión Ambiental ISO 1400: 1996,
que incluye las lagunas de afianzamiento hídrico, la Presa Tablachaca, las
Centrales Hidroeléctricas Santiago Antúnez de Mayolo y Restitución, así como
los campamentos Campo Armiño y Quichuas.
En el
aspecto del mantenimiento, es interesante señalar que en el año 2003 se
concluyó con la implementación al 99% del proyecto "Modernización del
Sistema de Supervisión y Control de las Centrales Mantaro y Restitución",
cuya ejecución estaba a cargo del contratista Alstom.
Se
instalaron seis rodetes Pelton de mayor eficiencia operativa, con lo que se
obtuvo un incremento de la potencia activa en aproximadamente 21 MW.
Igualmente, se realizó el mantenimiento mayor de los transformadores
monofásicos correspondientes al grupo No. 5 con participación de especialistas
externos, quedando garantizada su disponibilidad y buen funcionamiento por
varios años.
En la
Central Térmica de Tumbes también se realizaron actividades de mantenimiento,
como el cambio de ocho camisas de las unidades de potencia a través de la
empresa aseguradora, en sustitución de las originales que presentaban defectos
de fabricación y se efectuó mantenimiento preventivo de los turbocargadores,
grupos Mak y otros equipos.
Resumiendo,
la mayor producción del Complejo Hidroeléctrico Mantaro se explica por
condiciones hidrológicas favorables derivadas de un año húmedo, la prioridad
que tuvo la energía hidroeléctrica en el despacho por el Comité de Operación
Económica del SEIN, la racionalización y optimización de los procedimientos de
operación y mantenimiento y el incremento de la eficiencia operativa de la
Central Hidroeléctrica Santiago Antúnez de Mayolo con nuevos rodetes.
[29] Valor tomado de las notas 13 y 14 de los estados financieros auditados 2001 y 2002 (respectivamente) de la empresa Edegel S.A.A. (empresa representativa del sector), y que se señala corresponden a prestamos bancarios para capital de trabajo que devienen en intereses que fluctúan entre libor + 0,90% y libor + 1,1%.
[30] Valor que se obtiene de la suma de la tasa libor a un año a agosto de 2004 (2,29% según el Informativo Caballero Bustamante Año XXXII - N° 549) más 1,1%.
[31] Es decir, tal como se hace en el caso de los precios de combustibles o de los suministros, donde se consideran precios de mercado.
[32] Para fines de la prepublicación se ha considerado la tasa TAMEX del mes de agosto que fue de 8,8%; este valor deberá ser reajustado para la publicación de las Tarifas en Barra con el valor correspondiente al mes de setiembre, de acuerdo con lo establecido en el Artículo 50° de la LCE.